FREE REPAIR MANUALS & LABOR GUIDES 1982-2013 Vehicles
Courtesy of Operation CHARM: Car repair manuals for everyone.

Air Flow Meter/Sensor: Service and Repair

IMPORTANT: Take care when handling the MAF sensor. Do not dent, puncture, or otherwise damage the Honeycell located at the air inlet end of the MAF sensor. Do not touch the sensing elements or allow anything including cleaning solvents and lubricants to come in contact with them. Use a small amount of a non-silicone based lubricant on the air duct only, to aid in installation. Do not drop or roughly handle the MAF sensor.




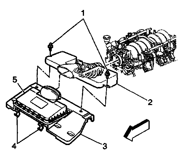
1. Release Air Cleaner Housing front latches (4).
2. Remove the retainers (1) holding the resonator to radiator core support (3).




3. Disconnect the MAF sensor (1) electrical connector.
4. Remove the clamp from the MAF sensor (1) at the resonator.
5. Remove the clamp from the MAF sensor (1) at the air intake duct.
6. Remove the MAF sensor (1).

INSTALLATION PROCEDURE

IMPORTANT: The embossed arrows on the MAF sensor indicate the proper airflow direction. The arrows must point toward the engine.




1. Install the MAF sensor (1) into the air intake duct and resonator.
2. Install the clamp at the MAF sensor (1) to the air intake duct.
3. Install the clamp at the MAF sensor (1) to the resonator.




4. Install the retainers (1) holding the resonator (2) to radiator core support (3).
5. Secure the Air Cleaner Housing front latches (4).
6. Connect the electrical connector.