FREE REPAIR MANUALS & LABOR GUIDES 1982-2013 Vehicles
Courtesy of Operation CHARM
:
Car repair manuals for everyone.
Home
>>
Pontiac
>>
2000
>>
Firebird V8-5.7L VIN G
>>
Repair and Diagnosis
>>
Locations
>>
Component Locations
>>
Modules
>>
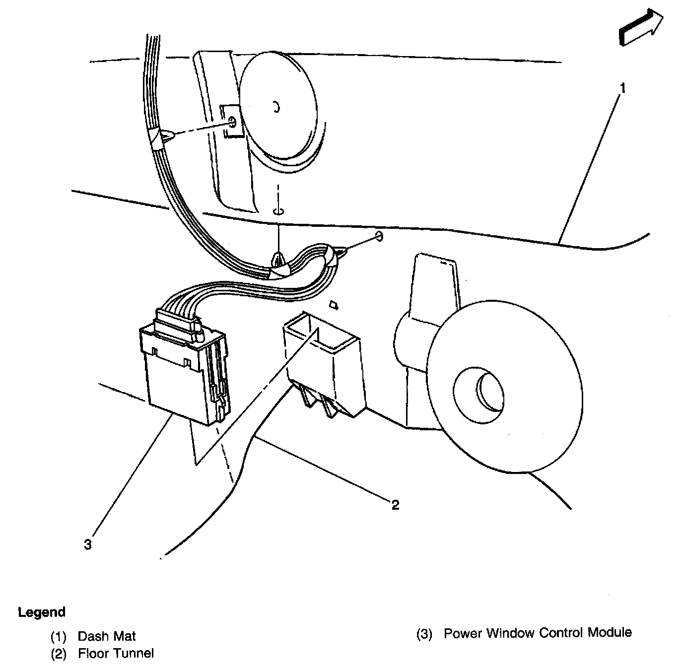
Power Window Control Module
Power Window Control Module
Locations View:
Mounted to the center of the dash mat, above the floor tunnel