FREE REPAIR MANUALS & LABOR GUIDES 1982-2013 Vehicles
Courtesy of Operation CHARM
:
Car repair manuals for everyone.
Home
>>
Pontiac
>>
2000
>>
Firebird V8-5.7L VIN G
>>
Repair and Diagnosis
>>
Diagrams
>>
Components
>>
Modules
>>
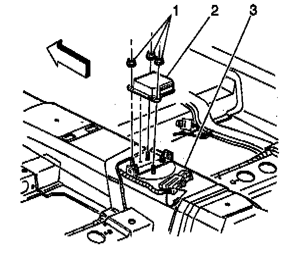
Inflatable Restraint IP Module
Inflatable Restraint IP Module
Locations View:
Preliminary, Early Release Information:
Preliminary, Early Release Information: