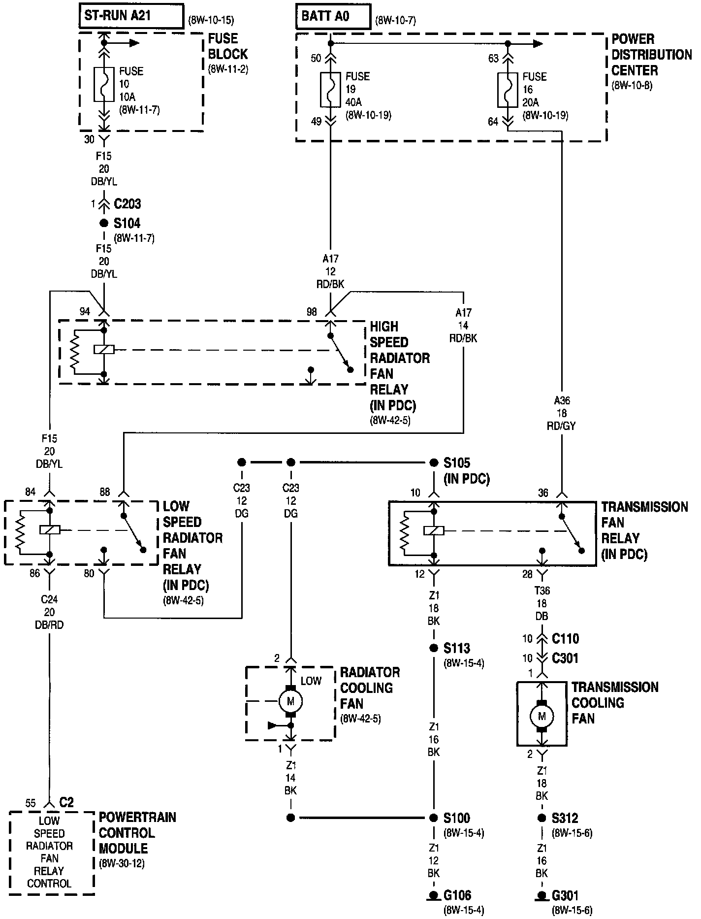
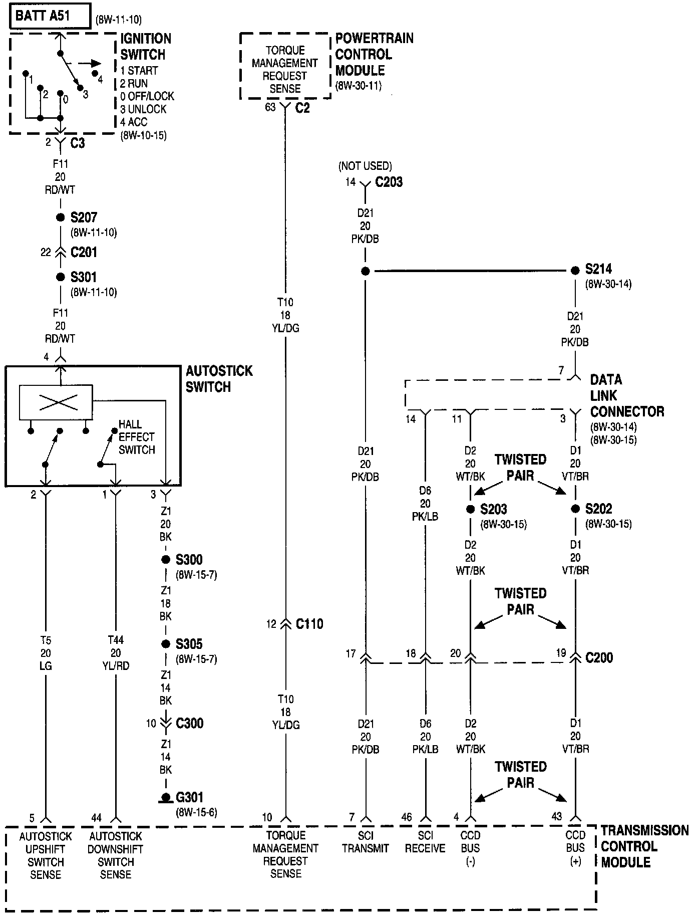
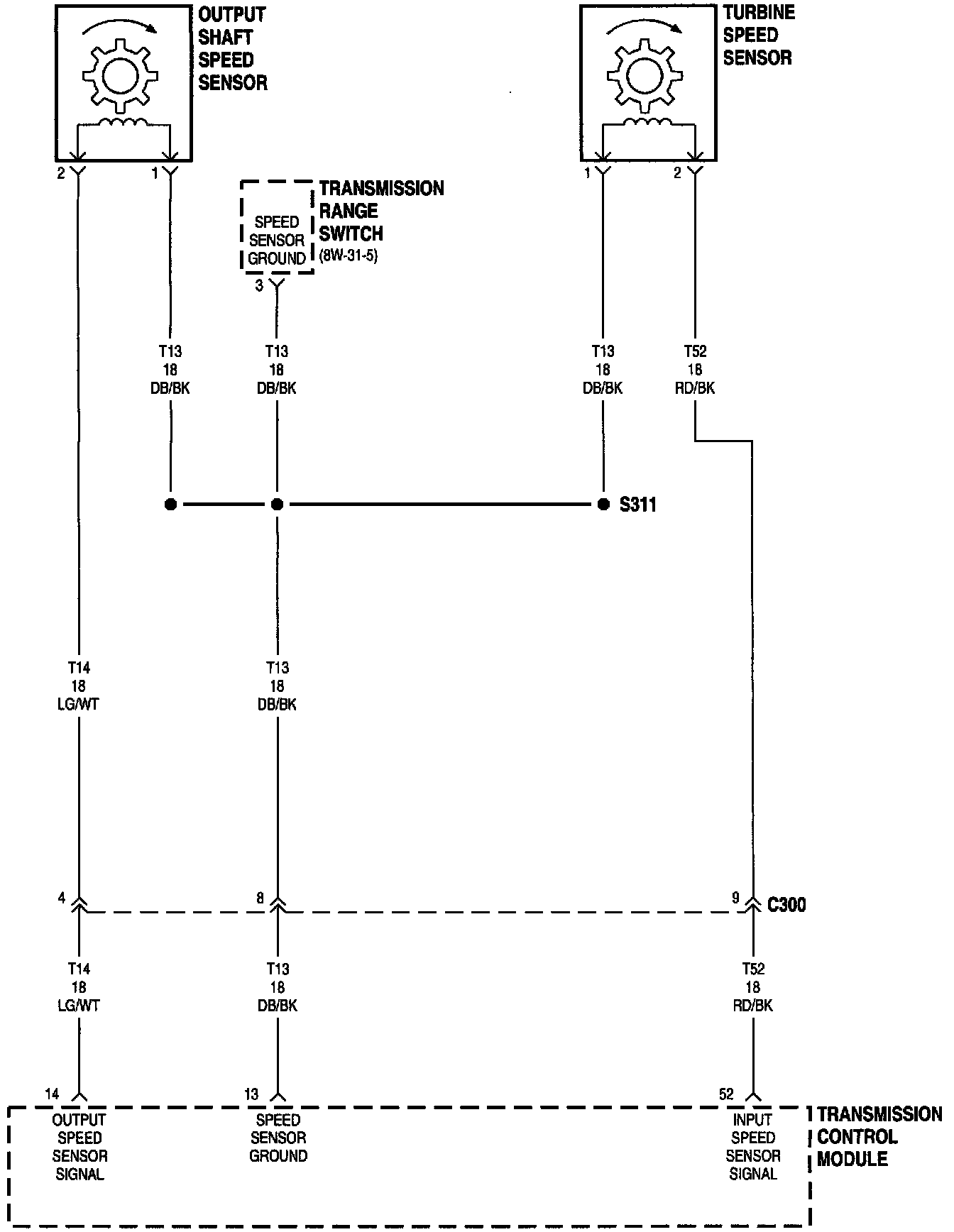
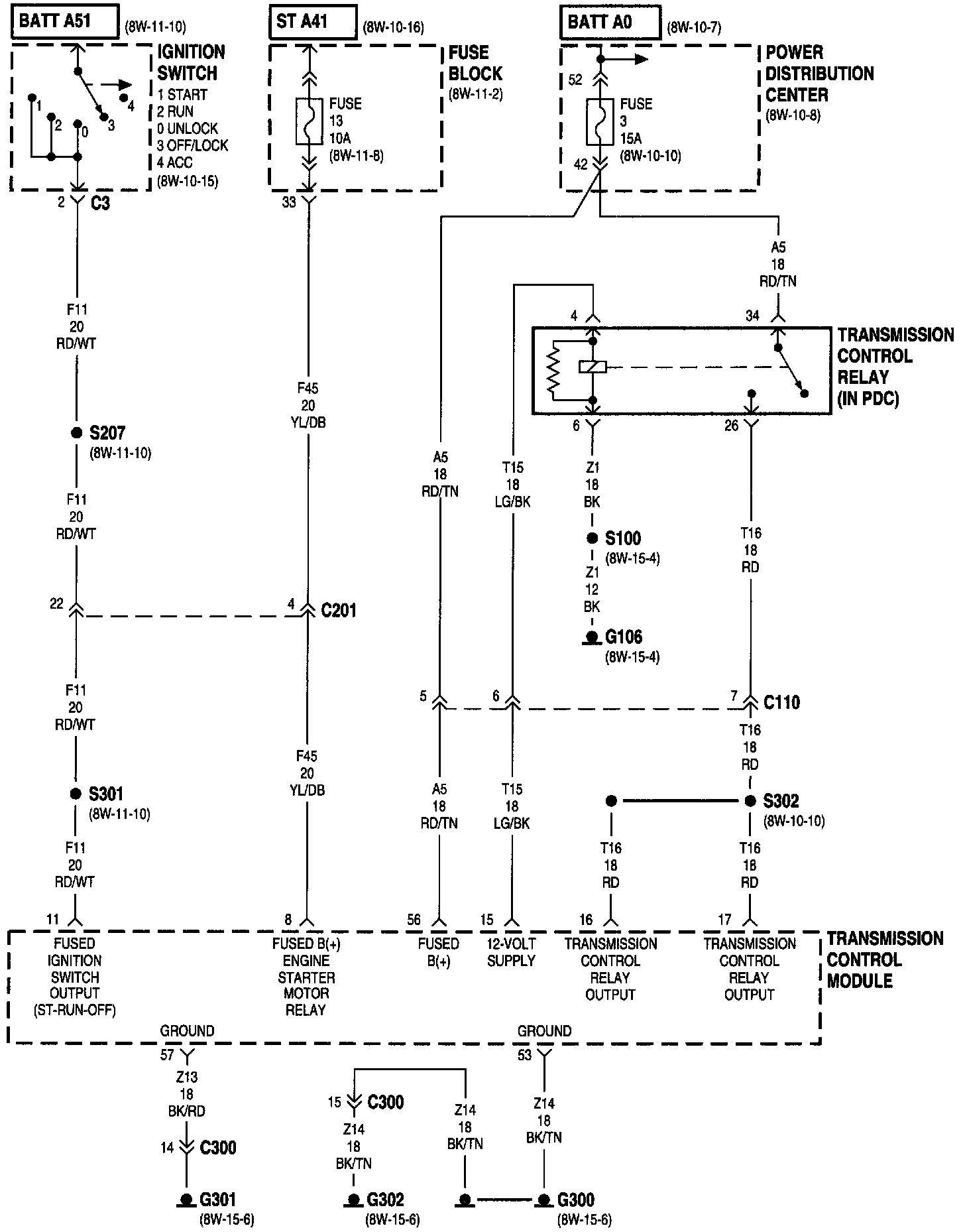
Transmission Control System
Transmission Control System (Part 1 Of 8):
Transmission Control System (Part 2 Of 8):
Transmission Control System (Part 3 Of 8):
Transmission Control System (Part 4 Of 8):
Transmission Control System (Part 5 Of 8):
Transmission Control System (Part 6 Of 8):
Transmission Control System (Part 7 Of 8):
Transmission Control System (Part 8 Of 8):
NOTE: To view sheets referred to in these diagrams, see Diagram Information and Instructions/Complete Body and Chassis Diagrams.