FREE REPAIR MANUALS & LABOR GUIDES 1982-2013 Vehicles
Courtesy of Operation CHARM
:
Car repair manuals for everyone.
Home
>>
Oldsmobile
>>
2002
>>
Alero L4-2.2L VIN F
>>
Repair and Diagnosis
>>
Diagrams
>>
Components
>>
Sensors
>>
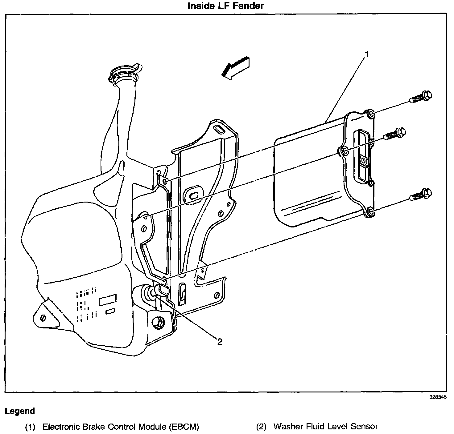
Washer Fluid Level Sensor
Washer Fluid Level Sensor
Locations View: