FREE REPAIR MANUALS & LABOR GUIDES 1982-2013 Vehicles
Courtesy of Operation CHARM
:
Car repair manuals for everyone.
Home
>>
Oldsmobile
>>
1996
>>
Cutlass Ciera Cruiser L4-2.2L VIN 4
>>
Repair and Diagnosis
>>
Specifications
>>
Mechanical Specifications
>>
Engine
>>
System Specifications
>>
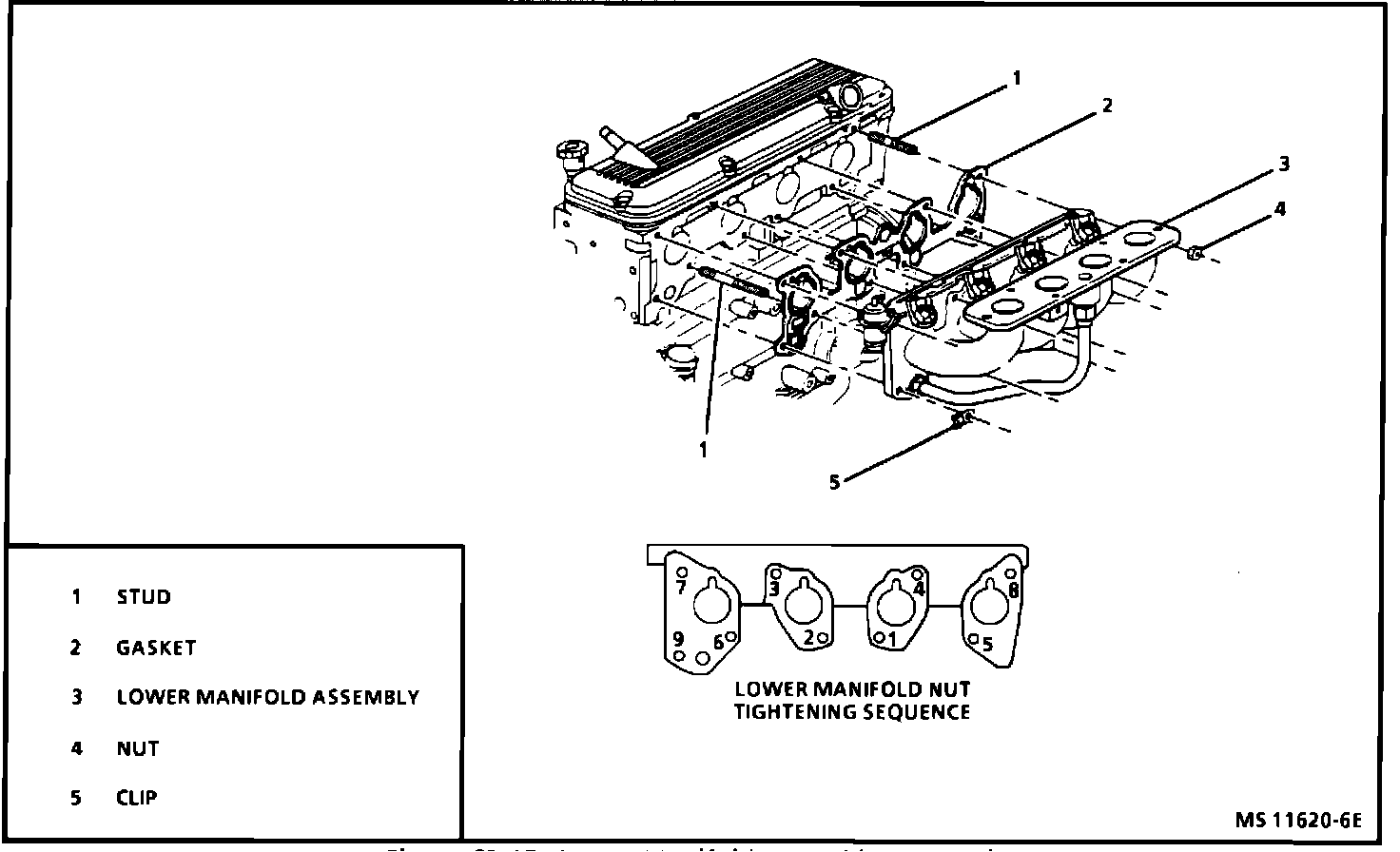
Fastener Tightening Specifications - Lower Intake Manifold
Fastener Tightening Specifications - Lower Intake Manifold
Lower Manifold Assembly And Tightening Sequence: