FREE REPAIR MANUALS & LABOR GUIDES 1982-2013 Vehicles
Courtesy of Operation CHARM
:
Car repair manuals for everyone.
Home
>>
Nissan-Datsun
>>
2013
>>
Leaf ELE-Electric Engine
>>
Repair and Diagnosis
>>
Engine, Cooling and Exhaust
>>
Cooling System
>>
Radiator
>>
Service and Repair
>>
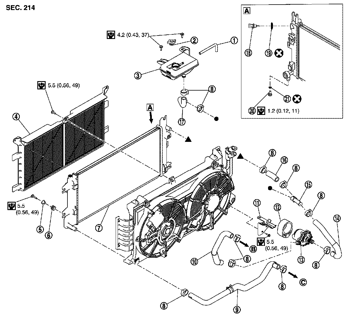
Exploded View
Exploded View
RADIATOR
Exploded View