FREE REPAIR MANUALS & LABOR GUIDES 1982-2013 Vehicles
Courtesy of Operation CHARM
:
Car repair manuals for everyone.
Home
>>
Mitsubishi
>>
2011
>>
Galant L4-2.4L (4G69)
>>
Parts and Labor
>>
Starting and Charging
>>
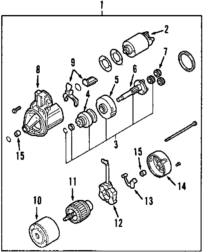
Starting System
>>
Images
Images
Starting System: