FREE REPAIR MANUALS & LABOR GUIDES 1982-2013 Vehicles
Courtesy of Operation CHARM
:
Car repair manuals for everyone.
Home
>>
Mazda
>>
2009
>>
Mazdaspeed3 L4-2.3L Turbo
>>
Repair and Diagnosis
>>
Heating and Air Conditioning
>>
Description and Operation
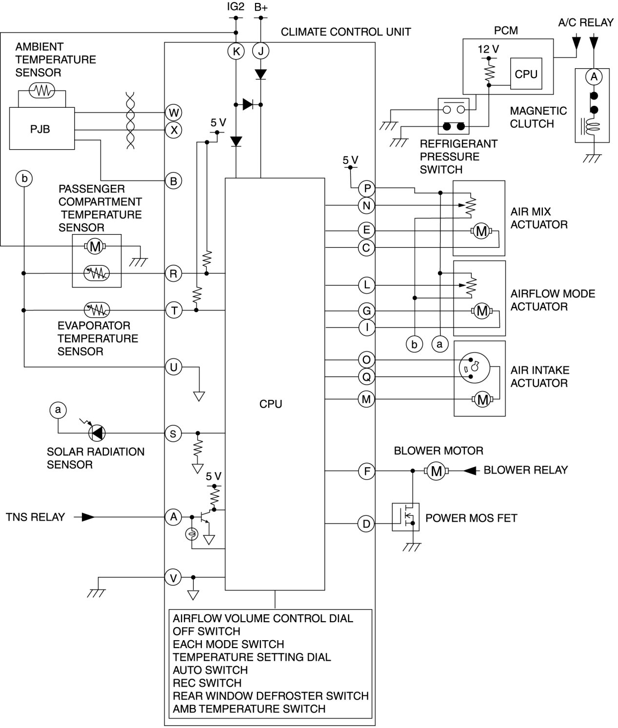
Heating and Air Conditioning: Description and Operation
HVAC SYSTEM WIRING DIAGRAM