FREE REPAIR MANUALS & LABOR GUIDES 1982-2013 Vehicles
Courtesy of Operation CHARM
:
Car repair manuals for everyone.
Home
>>
Mazda
>>
2000
>>
Protege DX L4-1.6L DOHC
>>
Repair and Diagnosis
>>
Powertrain Management
>>
Description and Operation
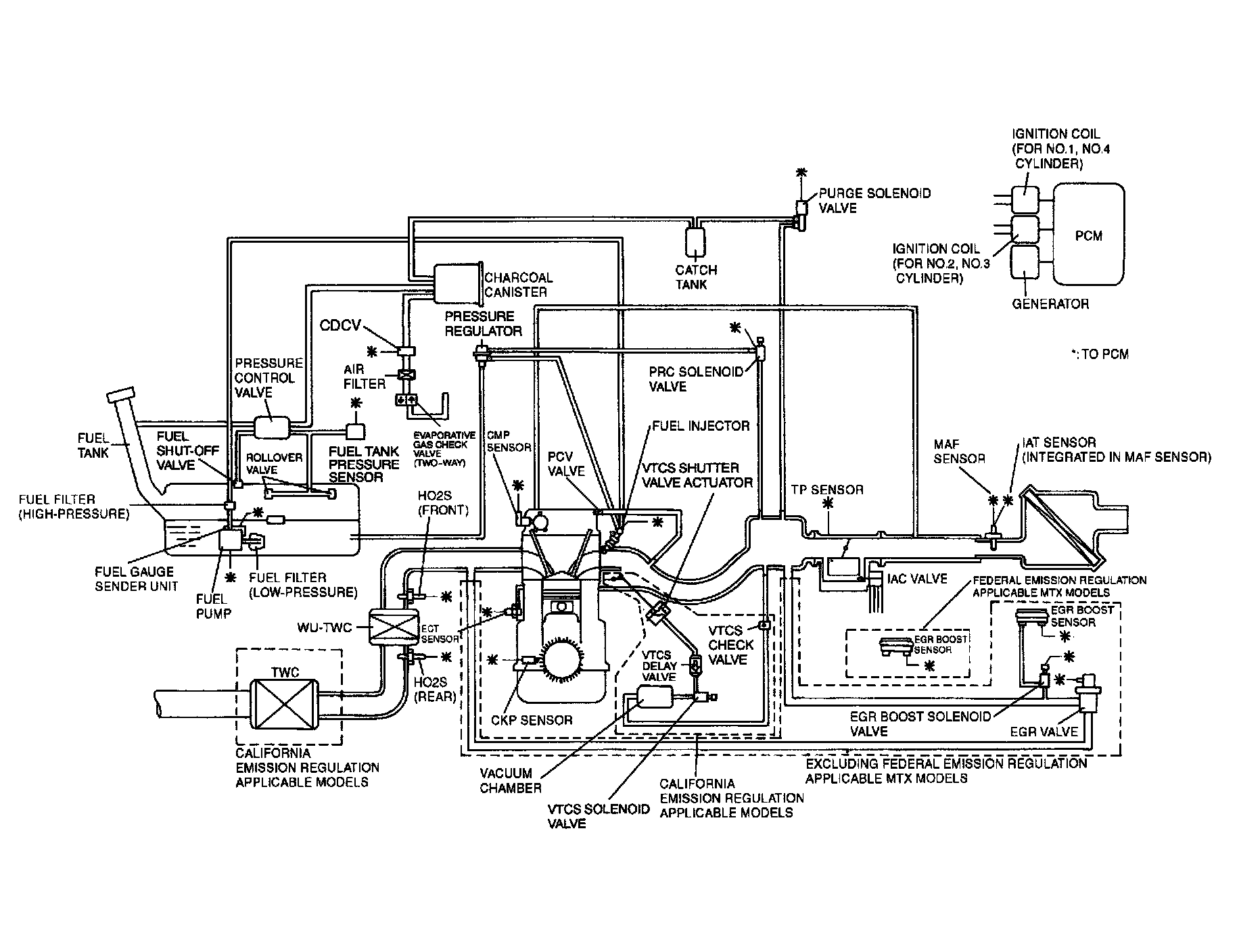
Powertrain Management: Description and Operation
Control System Diagram: