FREE REPAIR MANUALS & LABOR GUIDES 1982-2013 Vehicles
Courtesy of Operation CHARM
:
Car repair manuals for everyone.
Home
>>
Mazda
>>
2000
>>
Protege DX L4-1.6L DOHC
>>
Repair and Diagnosis
>>
Heating and Air Conditioning
>>
Heater Core Case
>>
Service and Repair
>>
Removal/Installation
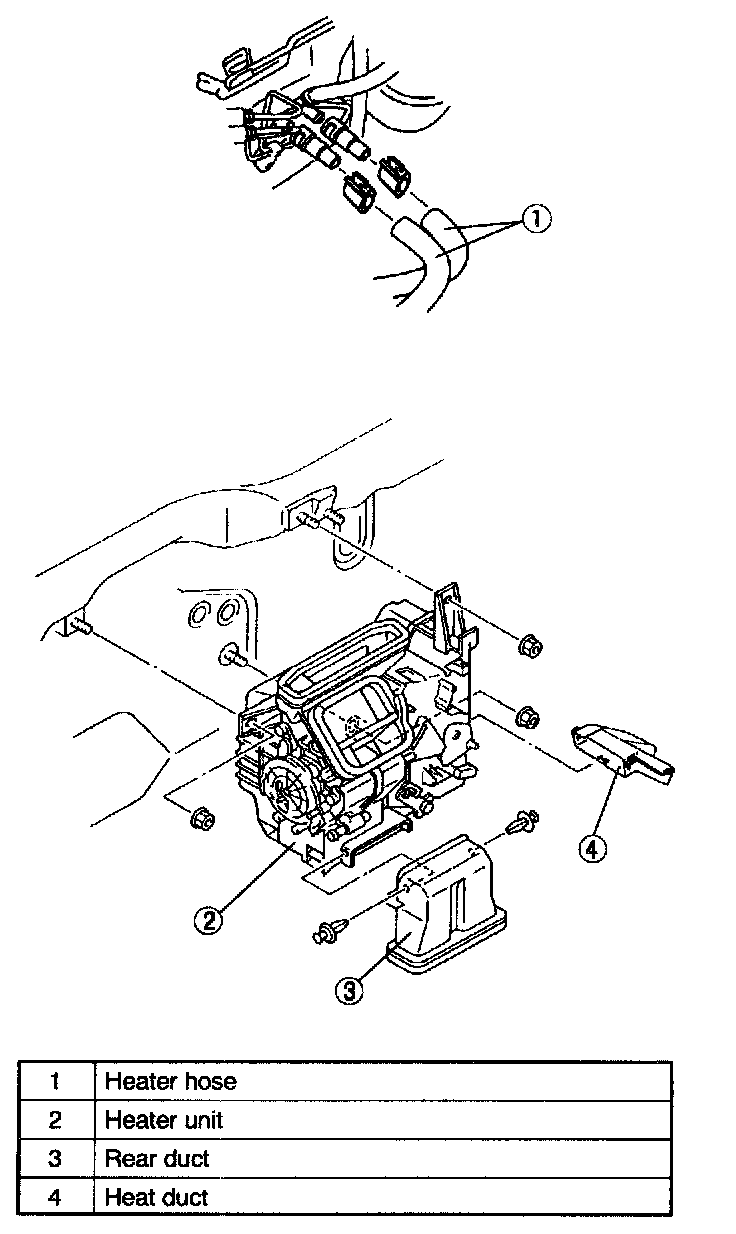
Removal/Installation
1.
Disconnect the negative battery cable.
2.
Drain the engine coolant.
3.
Remove the dashboard.
4.
Remove the cooling unit.
5.
Remove in the order indicated in the table.
6.
Install in the reverse order of removal.