FREE REPAIR MANUALS & LABOR GUIDES 1982-2013 Vehicles
Courtesy of Operation CHARM: Car repair manuals for everyone.

Procedures

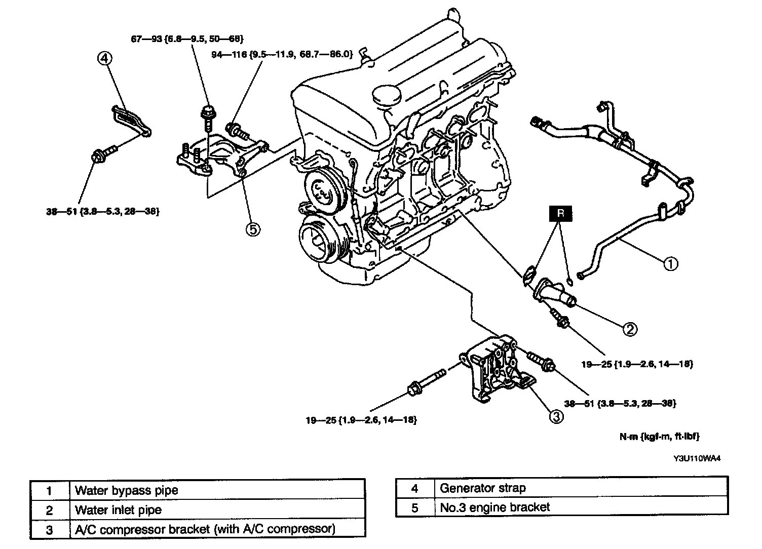
ENGINE REMOVAL/INSTALLATION [ZM]





Warning:
- Fuel vapor Is hazardous. It can very easily Ignite, causing serious injury and damage. Always keep sparks and flames away from fuel.
- Fuel line spills and leakage are dangerous. Fuel can ignite and cause serious Injuries or death and damage. Fuel can also irritate skin and eyes. To prevent this, always complete the "Fuel Line Safety Procedure" (Refer to Powertrain Management).


1. Remove the battery.
2. Drain the engine coolant.
3. Remove the air cleaner, air hose, and resonance chamber.
4. Remove the front pipe.
5. Disconnect the accelerator cable, bracket, heater hoses, vacuum hoses.
6. Remove the radiator.
7. Remove the drive belt.
8. Disconnect the plastic fuel hoses.
9. Disconnect the rods, cables, and clutch release cylinder related to the manual transaxle. (MTX)
10. Disconnect the rods, cables, and oil pipe related to the automatic transaxle. (ATX)
11. Remove the drive shaft.
12. Remove the P/S oil pump with the oil hose still connected. Position the P/S oil pump so that it is out of the way.
13. Remove the A/C compressor with the pipe still connected. Position the A/C compressor so that it is out of the way.
14. Remove in the order indicated in the table.
15. Install in the reverse order of removal.
16. Adjust the drive belt deflection/tension.
17. Start the engine and:
1. Inspect for the engine oil, engine coolant, transaxle oil, ATF and fuel leakage.
2. Verify the ignition timing, idle speed and idle mixture.
18. Perform a road test.

No.1 Engine Mount Removal Note





1. Suspend the engine using the SST

Engine Mount Member Removal Note





1. Remove the No.2 engine mount nut A.
2. Remove the engine mount member bolt and nut.

No.4 Engine Mount Removal Note
1. Remove the SST (engine support) and securely support it with the chain block.

No.3 Engine Mount Installation Note





1. Tighten the No.3 engine mount bolt and nut in the order shown.
2. Tighten the No.3 engine mount stay bolt and nut A.

No.4 Engine Mount Installation Note
1. Tighten the No.4 engine mount bolt A.
2. Tighten the No.4 engine mount nut B.





MTX





ATX

No.2 Engine Mount Installation Note
1. Remove the chain block.





2. Suspend the engine using the SST

Engine Mount Member Installation Note





1. Tighten the No.2 engine mount nut A.
2. Tighten the engine mount member bolt and nut.

No.1 Engine Mount Installation Note





1. Tighten the No.1 engine mount bolt A.
2. Tighten the No.1 engine mount nut B.





3. Loosen the No.2 engine mount bolt C.
4. Retighten the No.2 engine mount nut C.

ENGINE DISASSEMBLY/ASSEMBLY [ZM]





1. Disconnect the engine and transaxle.
2. Remove the integrated stiffener.
3. Remove the CKP sensor.
4. Remove the oil pressure switch.
5. Remove the intake-air system.
6. Remove the exhaust system.
7. Remove the oil filter.
8. Remove the ignition coils.
9. Remove the generator.
10. Disassemble in the order indicated in the table.
11. Assemble in the reverse order of disassembly.
12. Inspect the air gap.