FREE REPAIR MANUALS & LABOR GUIDES 1982-2013 Vehicles
Courtesy of Operation CHARM: Car repair manuals for everyone.

Pinpoint Test B: Select Shift Does Not Operate Correctly




External Controls

Pinpoint Tests

PINPOINT TEST B: SELECT SHIFT DOES NOT OPERATE CORRECTLY

-------------------------------------------------
B1 TEST THE PADDLE SHIFTER CIRCUITS FOR AN OPEN


NOTE: Both RH and LH paddle shifter connectors are the same and share the same circuits.

- Remove the paddle shifter. Refer to Selector Lever - Paddle Shift Selector Lever - Paddle Shift.
- For vehicles equipped with a 3.7L engine, disconnect PCM C175B.
- For vehicles equipped with a 3.7L engine, disconnect PCM C175T.
- For vehicles equipped with a 3.5L Gasoline Turbocharged Direct Injection (GTDI) engine, disconnect PCM C1381B.
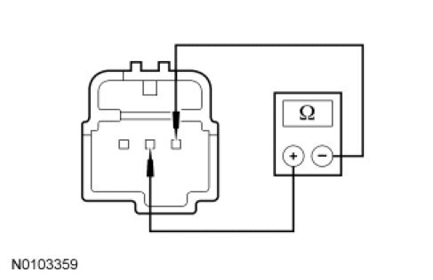
- For vehicles equipped with a 3.7L engine, measure the resistance between the paddle shifter connector, harness side and PCM C175B and C175T, harness side using the following chart:









- For vehicles equipped with a 3.5L GTDI engine, measure the resistance between the paddle shifter connector, harness side and PCM C1381B, harness side using the following chart:









- Is the resistance less than 5 ohms?

Yes
GO to B4.

No
GO to B2.

-------------------------------------------------
B2 TEST THE STEERING WHEEL WIRING HARNESS PADDLE SHIFTER CIRCUITS FOR AN OPEN


- Remove the driver air bag module. Refer to Supplemental Restraint System Driver Air Bag Module.
- Disconnect: Steering Wheel Internal Wiring Harness C218B .
- Measure the resistance between the paddle shifter connector, harness side and steering wheel internal wiring harness C218B, harness side using the following chart:









- Is the resistance less than 5 ohms?

Yes
GO to B3.

No
INSTALL a new steering wheel. REFER to Steering Column Removal and Replacement.

-------------------------------------------------
B3 TEST THE CLOCKSPRING INTERNAL PADDLE SHIFTER CIRCUITS FOR AN OPEN


- Remove the steering column shroud. Refer to Steering Column Steering Column Shroud.
- Disconnect: Clockspring C218A .
- Measure the resistance of the paddle shifter circuits through the clockspring, using the following chart:









- Is the resistance less than 5 ohms?

Yes
REPAIR the circuit in question between clockspring C218A and the PCM connector for an open.

No
INSTALL a new clockspring. REFER to Supplemental Restraint System Service and Repair.

-------------------------------------------------
B4 TEST THE PADDLE SHIFTER SIGNAL CIRCUITS FOR A SHORT TO GROUND


- Measure the resistance between the paddle shifter connector, harness side and ground using the following chart:









- Is the resistance greater than 10,000 ohms?

Yes
GO to B6.

No
GO to B5.

-------------------------------------------------
B5 TEST THE STEERING WHEEL WIRING HARNESS PADDLE SHIFTER SIGNAL CIRCUITS FOR A SHORT TO GROUND


- Remove the driver air bag module. Refer to Supplemental Restraint System Driver Air Bag Module.
- Disconnect: Steering Wheel Internal Wiring Harness C218B .
- Measure the resistance between the paddle shifter connector, harness side and ground using the following chart:









- Is the resistance greater than 10,000 ohms?

Yes
REPAIR the circuit in question between clockspring C218A and the PCM connector for a short.

No
INSTALL a new steering wheel. REFER to Steering Column Removal and Replacement.

-------------------------------------------------
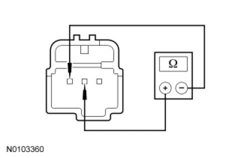
B6 CHECK THE PADDLE SHIFTER


- Measure the resistance between pins 2 and 1, component side while cycling the paddle shifter to the upshift position.




- Measure the resistance between pins 2 and 3, component side while cycling the paddle shifter to the downshift position.




- Is the resistance less that 5 ohms when the paddle shifter is in the shift position and greater than 10,000 ohms when the paddle shifter is released?

Yes
INSTALL a new PCM. REFER to Electronic Engine Controls Service and Repair. RECONNECT all components. TEST the system for normal operation.

No
INSTALL a new paddle shifter. REFER to Selector Lever - Paddle Shift Selector Lever - Paddle Shift.

-------------------------------------------------