FREE REPAIR MANUALS & LABOR GUIDES 1982-2013 Vehicles
Courtesy of Operation CHARM: Car repair manuals for everyone.

Pressure Feedback Exhaust Sensor: Service and Repair

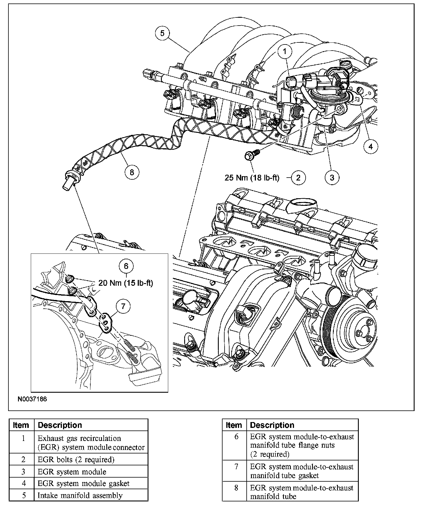
EXHAUST GAS RECIRCULATION (EGR) SYSTEM MODULE







Exploded View

Removal and Installation







1. CAUTION: The engine appearance cover is equipped with a noise suppressor. If the noise suppressor becomes separated from the engine appearance cover it must be positioned on the intake manifold prior to installing the engine appearance cover.

Remove the engine appearance cover and the noise suppressor (if detached).

2. Disconnect the exhaust gas recirculation (EGR) system module electrical connector.
3. Remove the vacuum harness from the EGR system module.
4. Disconnect the EGR system module-to-exhaust manifold tube from the EGR system module.
5. Remove the 2 bolts and the EGR system module.
- Remove the EGR gasket and discard.
- Clean the EGR sealing surfaces.
- To install, tighten to 25 Nm (18 lb-ft).







6. To install, reverse the removal procedure.
- Install a new EGR system module gasket with the side with the raised circle facing the intake manifold.