FREE REPAIR MANUALS & LABOR GUIDES 1982-2013 Vehicles
Courtesy of Operation CHARM: Car repair manuals for everyone.

Pinpoint Test O: The Liftgate/Trunk Module (LTM) Does Not Respond To The Scan Tool




Communications Network

Pinpoint Test O: The Liftgate/Trunk Module (LTM) Does Not Respond To The Scan Tool

Refer to Wiring Diagram Set 14, Module Communications Network for schematic and connector information. Diagrams By Number

Refer to Wiring Diagram Set 109, Power Liftgate for schematic and connector information. Diagrams By Number

Normal Operation

The Liftgate/Trunk Module (LTM) communicates with the scan tool through the Medium Speed Controller Area Network (MS-CAN).

This pinpoint test is intended to diagnose the following:

- Fuse
- Wiring, terminals or connectors
- LTM

PINPOINT TEST O: THE LTM DOES NOT RESPOND TO THE SCAN TOOL

NOTICE: Use the correct probe adapter(s) when making measurements. Failure to use the correct probe adapter(s) may damage the connector.

NOTE: Failure to disconnect the battery when instructed will result in false resistance readings. Refer to Battery, Mounting and Cables Battery Disconnect.

-------------------------------------------------
O1 CHECK THE FDIM VOLTAGE SUPPLY CIRCUIT FOR AN OPEN

- Ignition OFF.
- Disconnect: LTM C4174a .
- Ignition ON.
- Measure the voltage between the LTM C4174a-4, circuit SBB34 (YE/RD), harness side and ground; and between the between the LTM C4174a-9, circuit SBP14 (BN/RD), harness side and ground.




- Are the voltages greater than 10 volts?

Yes
GO to O2.

No
VERIFY the Battery Junction Box (BJB) fuse 34 (30A) or Smart Junction Box (SJB) fuse 14 (10A) is OK. If OK, REPAIR the circuit. If not OK, REFER to the Wiring Diagrams to identify the possible causes of the circuit short. CLEAR the DTCs. REPEAT the network test with the scan tool. Diagrams By Number

-------------------------------------------------
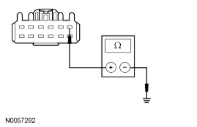
O2 CHECK THE LTM GROUND CIRCUIT FOR AN OPEN

- Ignition OFF.
- Disconnect: Negative Battery Cable .
- Measure the resistance between the LTM C4174a-1, circuit GD149 (BK/GY), harness side and ground.




- Is the resistance less than 5 ohms?

Yes
GO to O3.

No
REPAIR the circuit. CONNECT the negative battery cable. CLEAR the DTCs. REPEAT the network test with the scan tool.

-------------------------------------------------
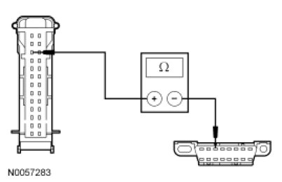
O3 CHECK THE MS-CAN CIRCUITS BETWEEN THE LTM AND THE DLC FOR AN OPEN

- Disconnect: LTM C4174b .
- Measure the resistance between the LTM C4174b-11, circuit VDB06 (GY/OG), harness side and the DLC C251-3, circuit VDB06 (GY/OG), harness side.




- Measure the resistance between the LTM C4174b-10, circuit VDB07 (VT/OG), harness side and the DLC C251-11, circuit VDB07 (VT/OG), harness side.




- Are the resistances less than 5 ohms?

Yes
CONNECT the negative battery cable. GO to O4.

No
REPAIR the circuit in question. CONNECT the negative battery cable. CLEAR the DTCs. REPEAT the network test with the scan tool.

-------------------------------------------------
O4 CHECK FOR CORRECT LTM OPERATION

- Disconnect the LTM connector.
- Check for:
- corrosion
- damaged pins
- pushed-out pins
- Connect the LTM connector and make sure it seats correctly.
- Operate the system and verify the concern is still present.
- Is the concern still present?

Yes
INSTALL a new LTM. REFER to Body Closures Service and Repair. CLEAR the DTCs. REPEAT the network test with the scan tool.

No
The system is operating correctly at this time. The concern may have been caused by a loose or corroded connector.

-------------------------------------------------