FREE REPAIR MANUALS & LABOR GUIDES 1982-2013 Vehicles
Courtesy of Operation CHARM: Car repair manuals for everyone.

Reassembly








3UZ-FE STARTING: STARTER: REASSEMBLY

REASSEMBLY

1. INSTALL STARTER ARMATURE ASSEMBLY
(a) Apply grease to the armature bearings.
(b) Insert the armature into the yoke.
2. INSTALL STARTER BRUSH HOLDER ASSEMBLY





(a) Place the brush holder on the starter yoke.
(b) Using a screwdriver, hold the brush spring back, and connect the brush into the brush holder. Connect all 4 brushes.
NOTE:
Check that the positive lead wires are not grounded.

(c) Install a new O-ring to the groove of the starter yoke.





(d) Install the end cover to the starter yoke with the 2 screws.
Torque: 3.8 Nm (39 kgf-cm, 34 in-lbf)
3. INSTALL MAGNET STARTER SWITCH ASSEMBLY





(a) Apply grease to the steel ball.
(b) Insert the steel ball into the clutch shaft hole.





(c) Apply grease to the return spring.
(d) Insert the return spring into the magnetic switch hole.





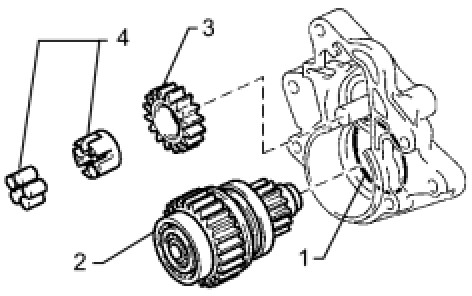
(e) Place a new O-ring (1), the starter clutch (2), idler gear (3), and bearing (4) on the starter housing.





(f) Install the starter housing to the magnetic switch with the 2 screws.
Torque: 9.3 Nm (95 kgf-cm, 82 in-lbf)
4. INSTALL STARTER YOKE ASSEMBLY





(a) Install a new O-ring to the groove of the starter yoke.
(b) Align the protrusion of the starter yoke with the groove of the magnetic switch, and install the starter yoke and armature.





(c) Install the starter yoke and armature with the 2 bolts.
Torque: 9.3 Nm (95 kgf-cm, 82 in-lbf)
(d) Connect the lead wire to terminal C with the nut.
Torque: 5.9 Nm (60 kgf-cm, 52 in-lbf)
(e) Install a new dust protector.