FREE REPAIR MANUALS & LABOR GUIDES 1982-2013 Vehicles
Courtesy of Operation CHARM: Car repair manuals for everyone.

Power Control Unit (PCU) Removal/Installation




Power Control Unit (PCU) Removal/Installation

NOTE: Put on gloves to protect your hands from electrical shock.

IMA components are located in this area. The IMA is a high-voltage system. You must be familiar with the IMA system before working on or around it. Make sure you have read the IMA service precautions before doing repairs or service. High Voltage Safety

1. Remove the IPU lid. IPU (Intelligent Power Unit) Lid Removal/Installation

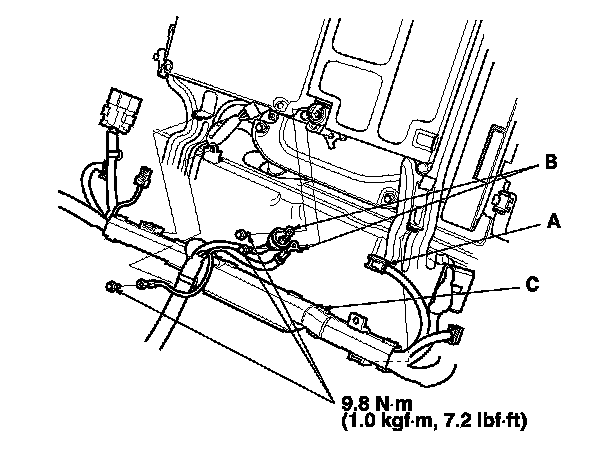
2. Disconnect the DC-DC converter connector (A).

3. Remove the wire (B).

4. Lift the IPU wire harness (C).






5. Remove the PCU cover (A).

6. Remove the A/C compressor power cable connector (B), and the motor power cables (C), then wrap them with insulating tape.
NOTE: Check the position of the U phase, V phase, and W phase cables before you disconnect them.

7. Remove the BCM module. Service and Repair

8. Remove the DC-DC converter. Service and Repair

9. Remove the A/C compressor driver. Service and Repair






10. Remove the PCU case mounting bolts (A).

11. Remove the bolt (B) and the clamps (C), then disconnect the MCM connector (D).

12. Remove the PCU (E).

13. Install the parts in the reverse order of removal.

14. Do the motor rotor position calibration. Initial Inspection and Diagnostic Overview