FREE REPAIR MANUALS & LABOR GUIDES 1982-2013 Vehicles
Courtesy of Operation CHARM: Car repair manuals for everyone.

Replacement

Starter Replacement

1. Write down the customer's radio station presets.
2. Disconnect the negative cable from the battery first, then disconnect the positive cable.




3. Remove the breather pipe (A) and brake booster vacuum hose bracket (B) from the air cleaner housing, then remove the air cleaner housing/intake air duct assembly.




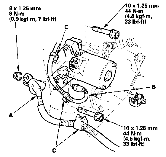
4. Disconnect the starter cable (A) and BLK/WHT wire (B), then remove the wire harness clamps (C).
5. Remove the two bolts holding the starter, then remove the starter.




6. Install the starter in the reverse order of removal. Make sure the crimped side of the ring terminal (A) is facing out.
7. Connect the positive cable to the battery first, then connect the negative cable.
8. Remove the No. 15 (40 A) fuse from the under-hood fuse/relay box.
9. Start the engine to make sure the starter works properly.
10. If the IMA battery level gauge (BAT) displays no segments, hold the engine between 3,500 rpm and 4,000 rpm without load (in Park or neutral) until the BAT displays at least three segments.
11. Do the engine control module (ECM) idle learn procedure.
12. Reinstall the No. 15 (40 A) fuse in the under-hood fuse/relay box.
13. Enter the customer's radio station presets.
14. Set the clock.