FREE REPAIR MANUALS & LABOR GUIDES 1982-2013 Vehicles
Courtesy of Operation CHARM
:
Car repair manuals for everyone.
Home
>>
Honda
>>
2005
>>
Insight L3-1.0L Hybrid
>>
Repair and Diagnosis
>>
Powertrain Management
>>
Transmission Control Systems
>>
Diagrams
>>
Electrical Diagrams
>>
Circuit Diagrams
>>
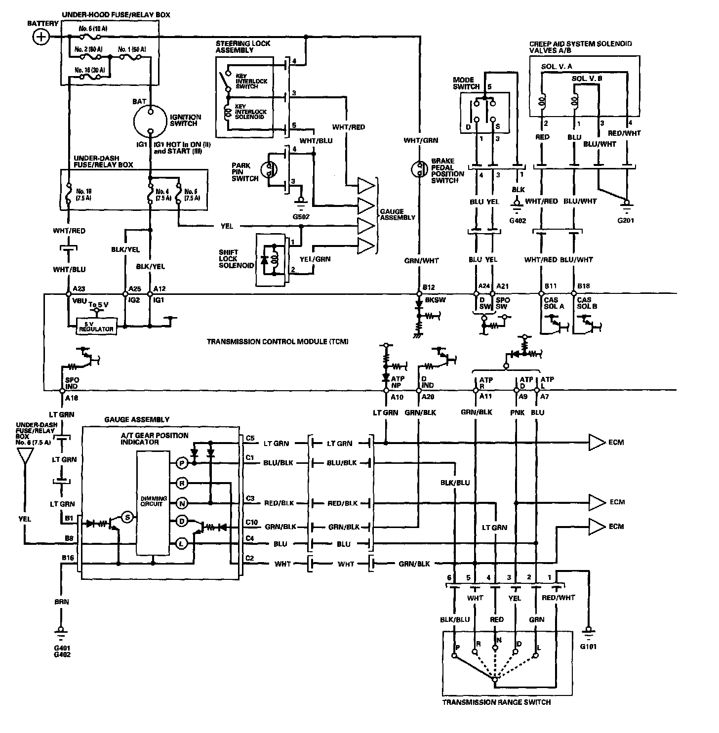
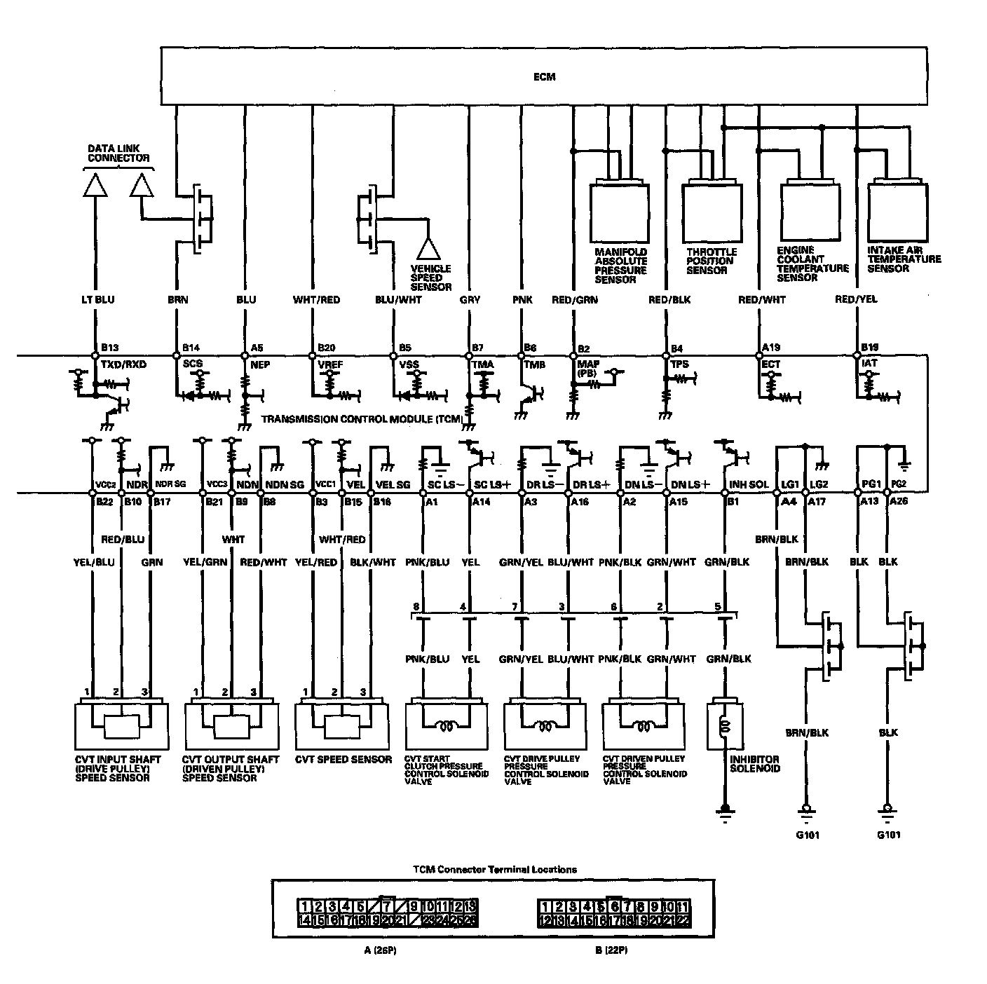
PCM A/T Control System
PCM A/T Control System
Circuit Diagram - Part 1:
Circuit Diagram - Part 2: