FREE REPAIR MANUALS & LABOR GUIDES 1982-2013 Vehicles
Courtesy of Operation CHARM: Car repair manuals for everyone.

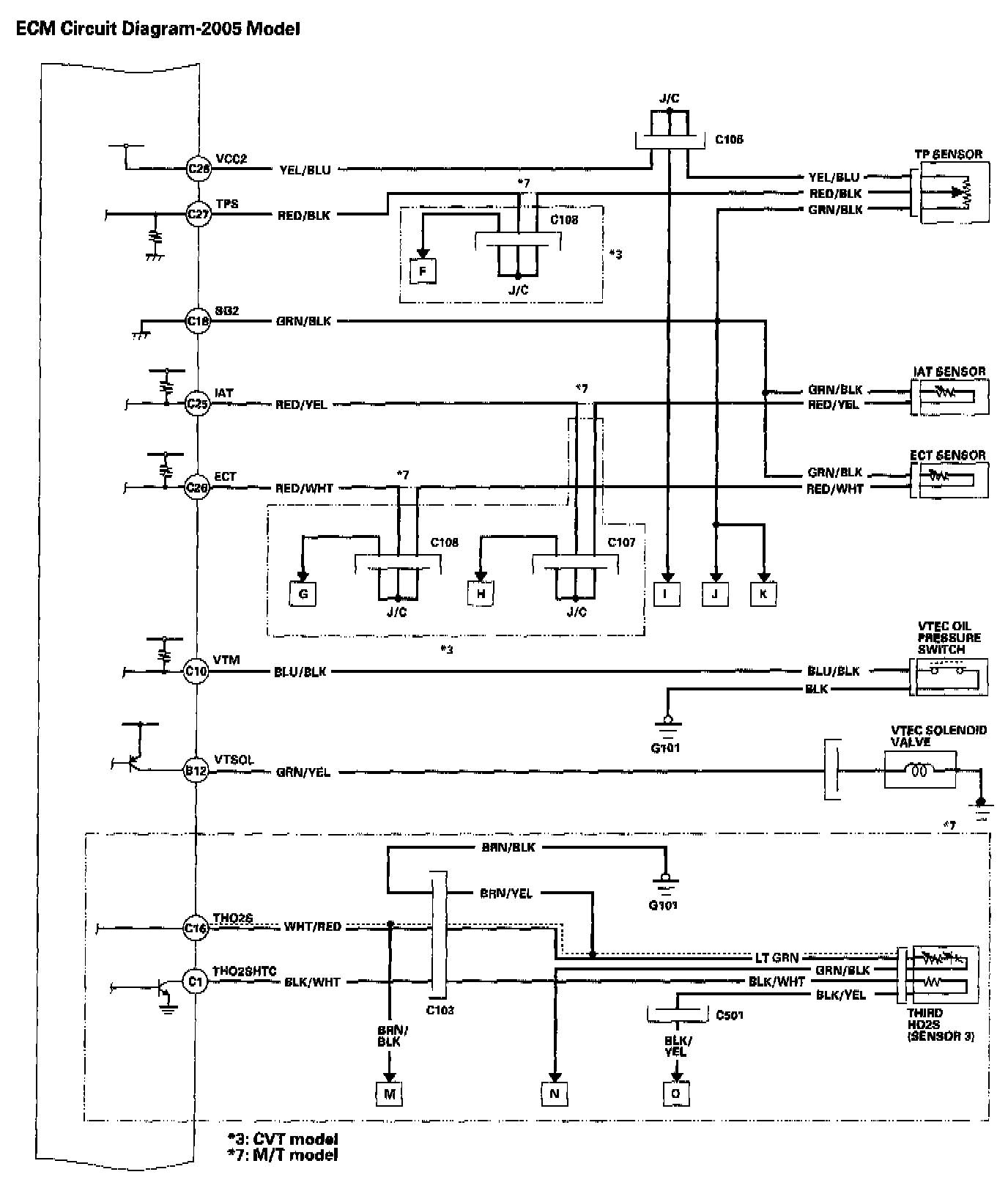
ECM Circuit Diagrams

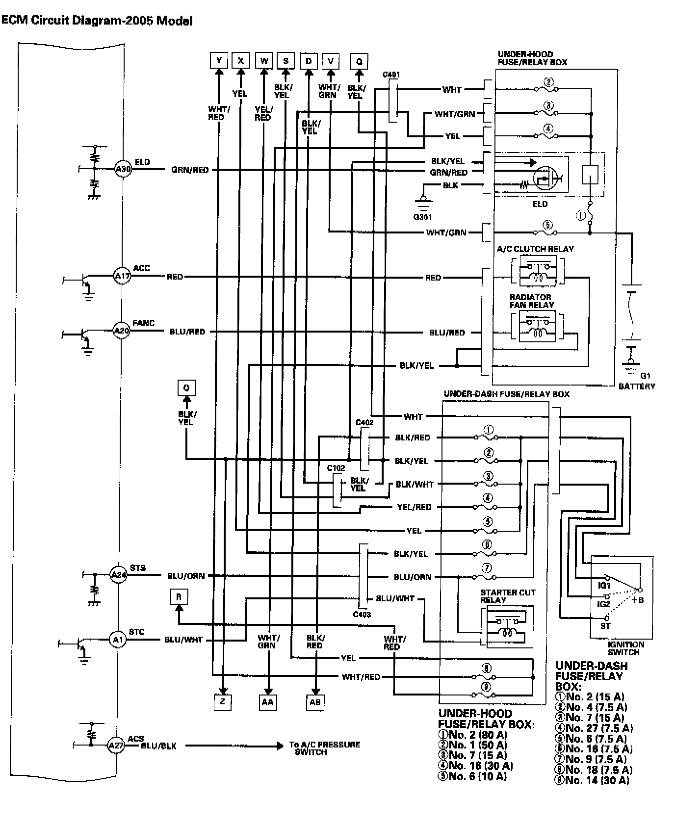
ECM Circuit Diagram Part 1:



ECM Circuit Diagram Part 2:



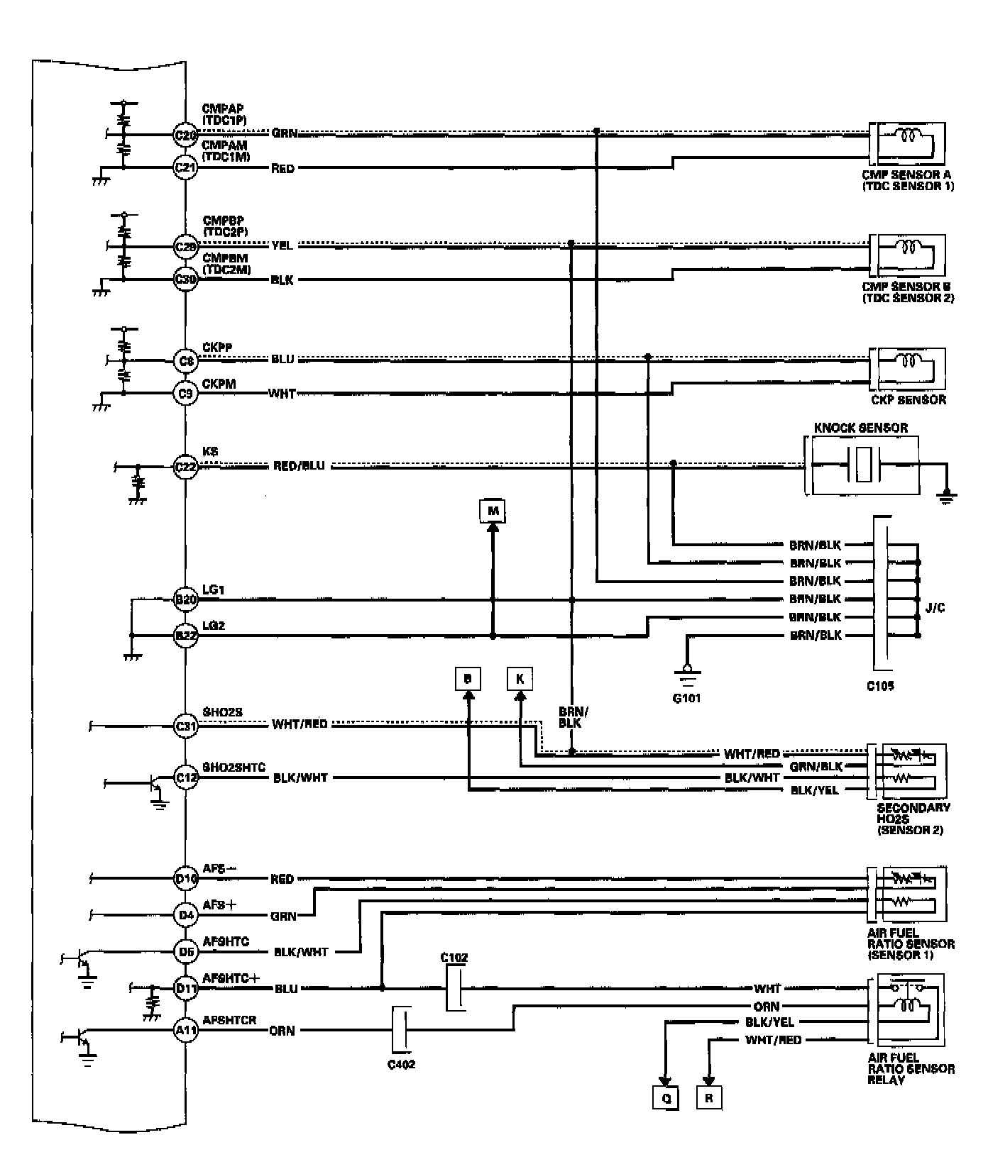
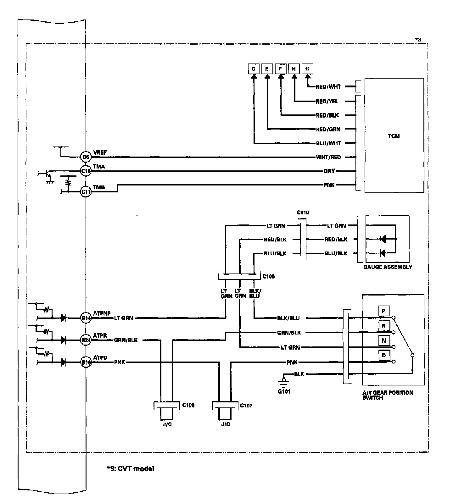
ECM Circuit Diagram Part 3:



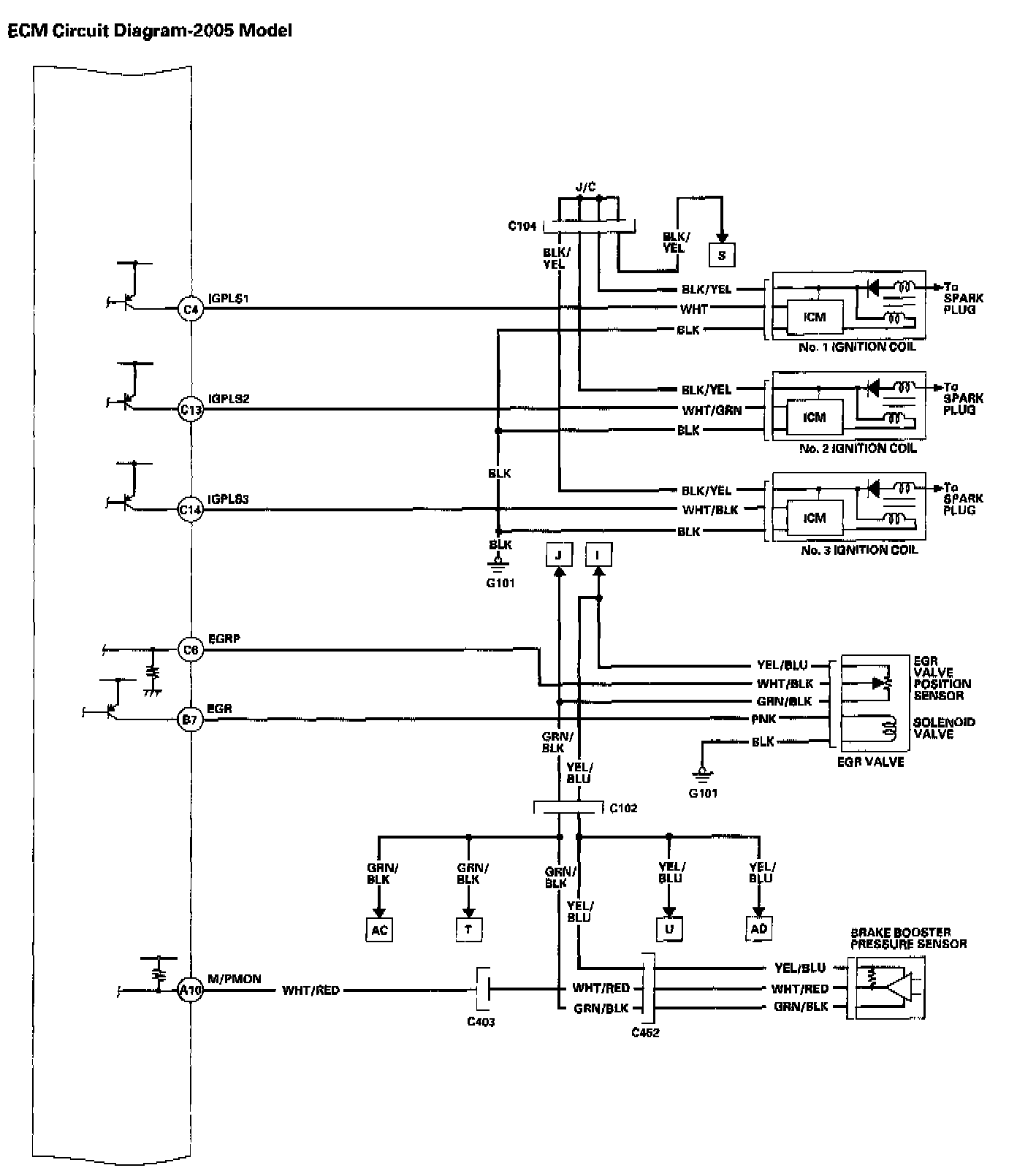
ECM Circuit Diagram Part 4:



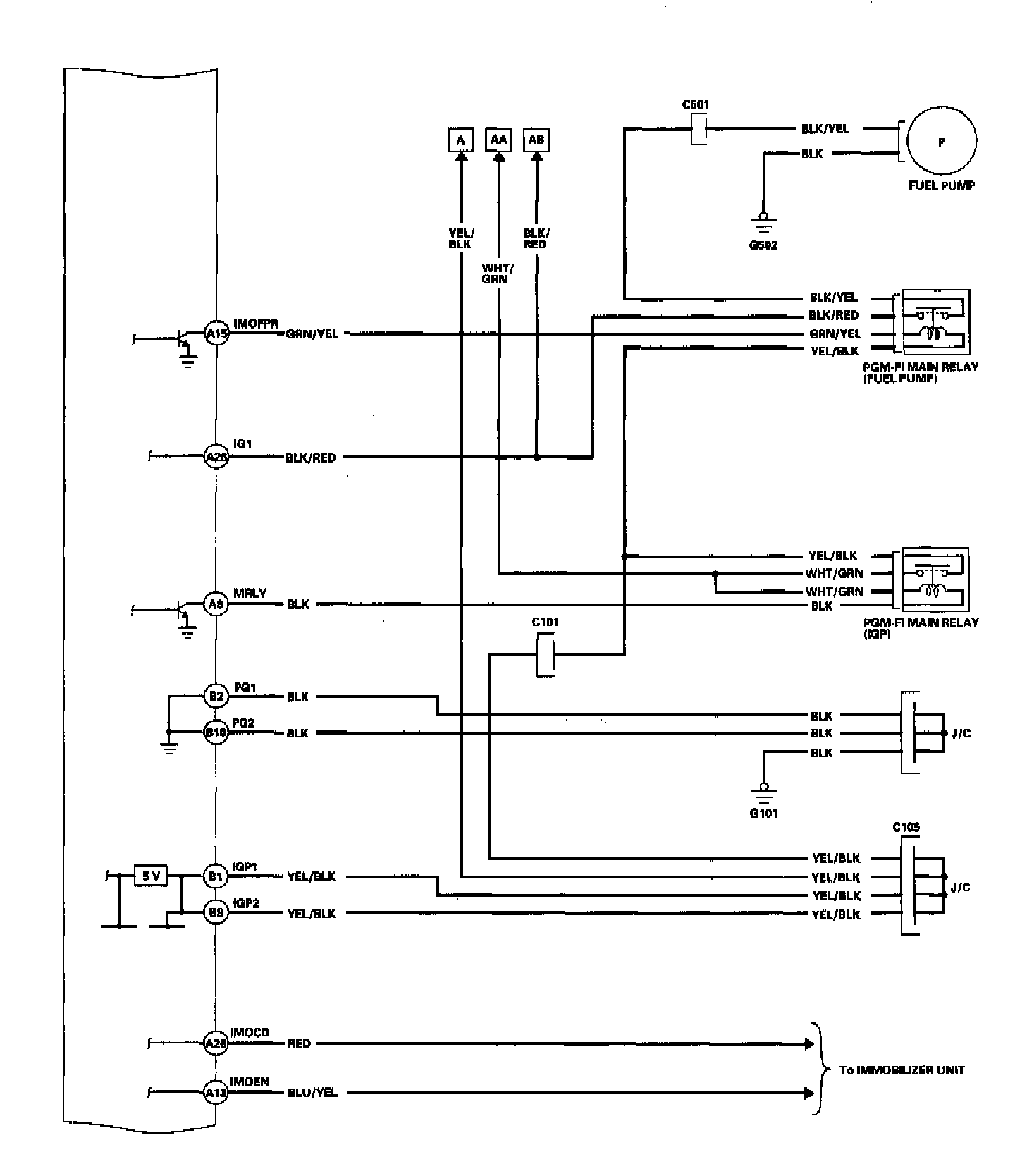
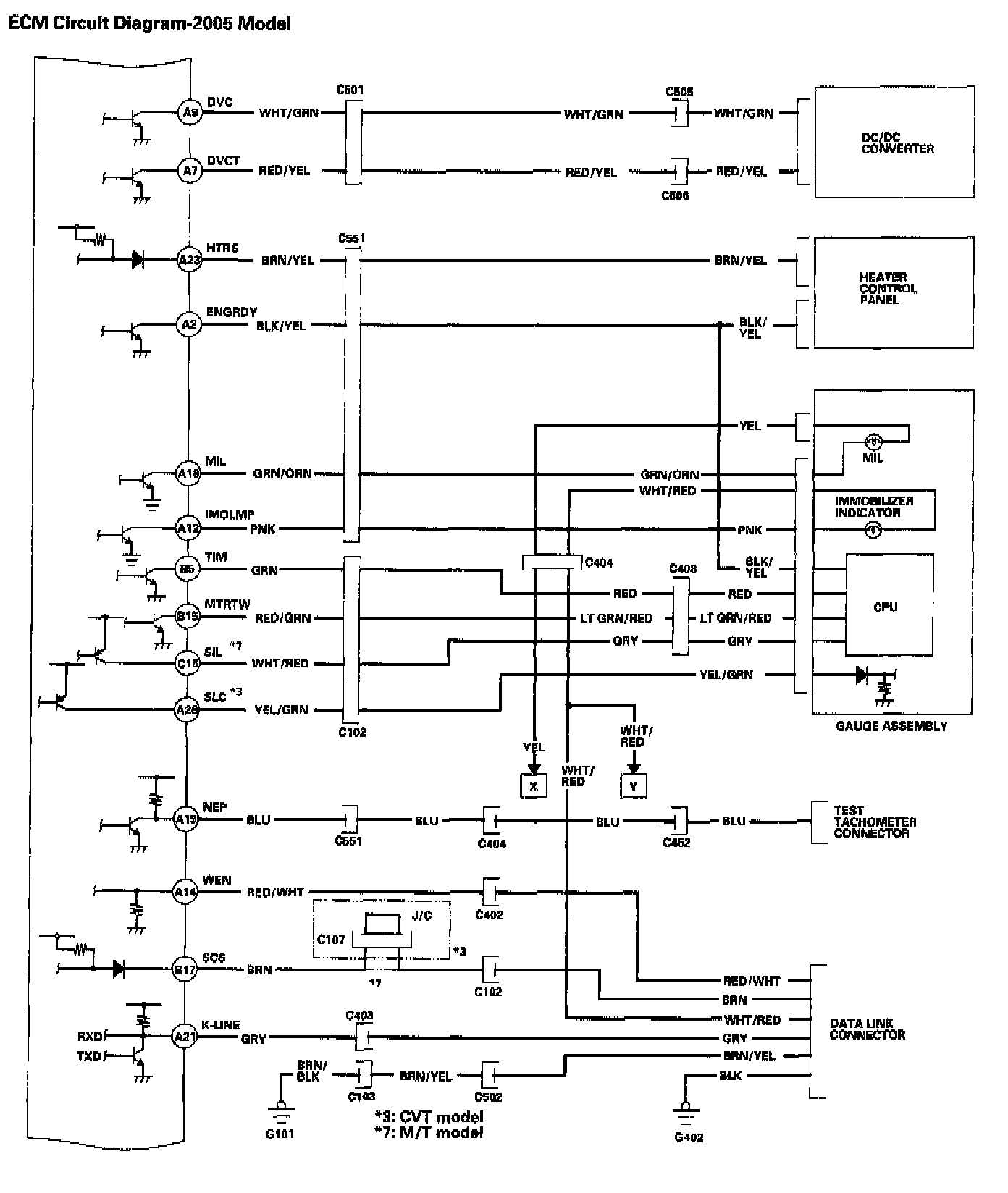
ECM Circuit Diagram Part 5:



ECM Circuit Diagram Part 6:



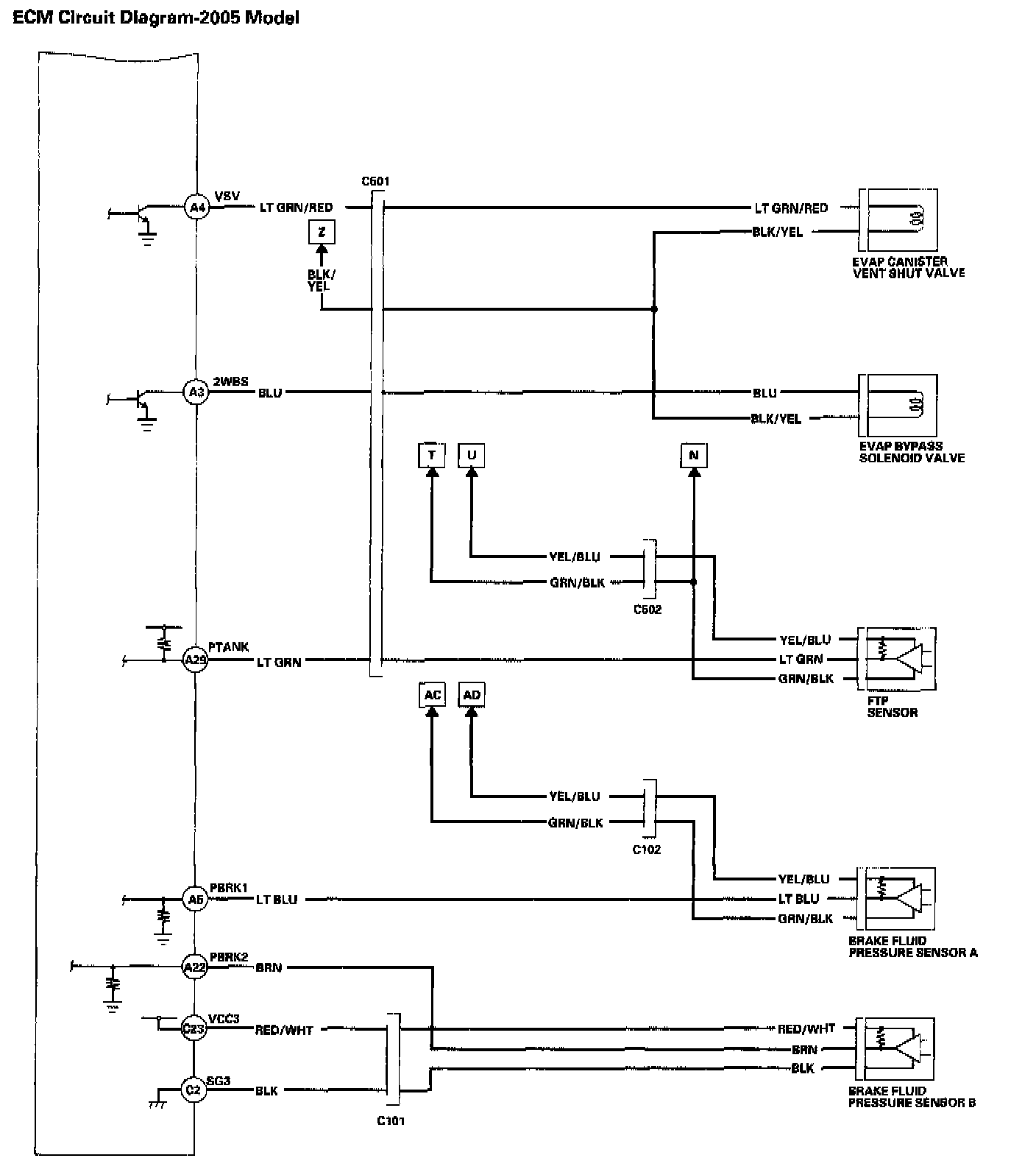
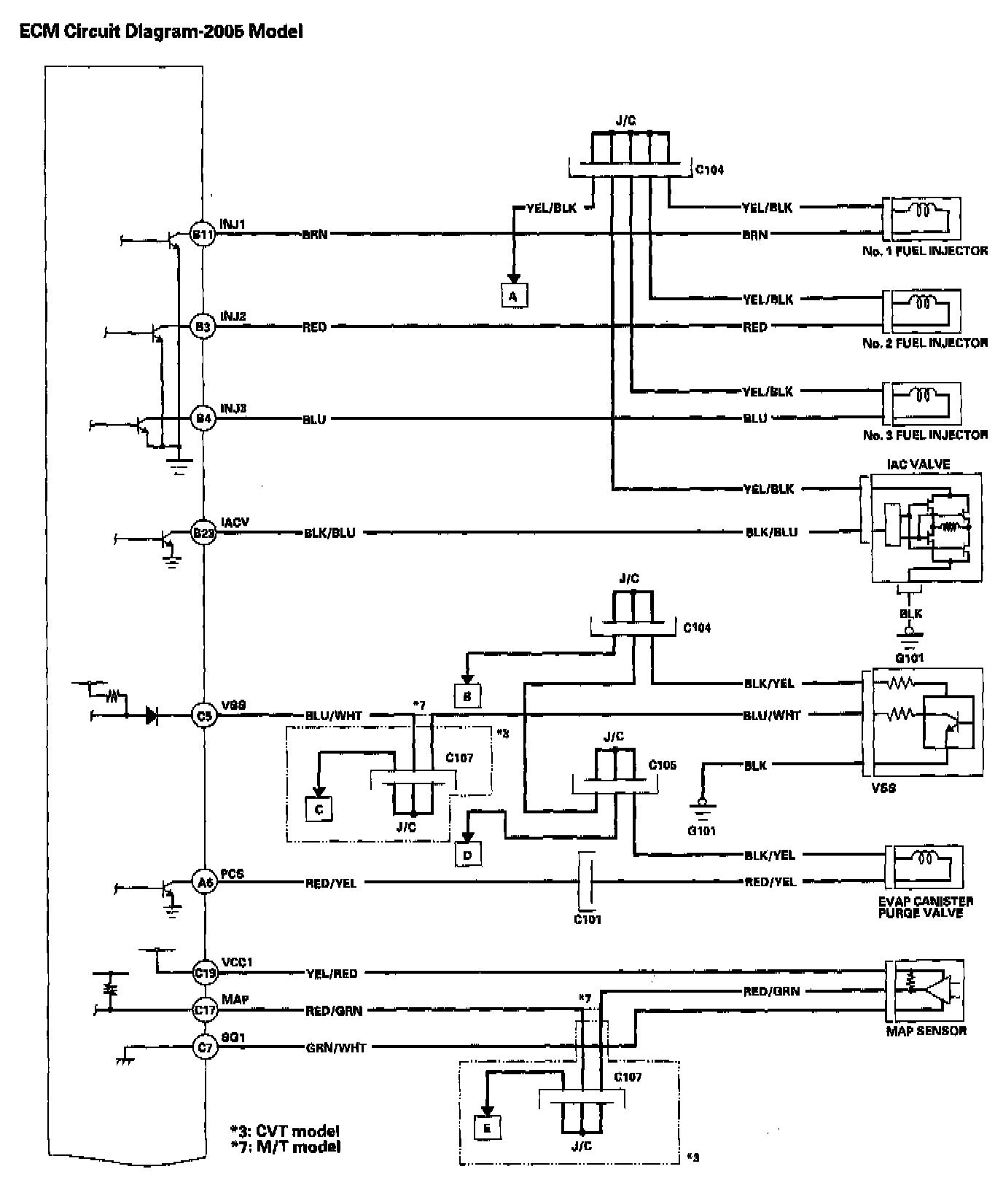
ECM Circuit Diagram Part 7:



ECM Circuit Diagram Part 8:



ECM Circuit Diagram Part 9:



ECM Circuit Diagram Part 10: