FREE REPAIR MANUALS & LABOR GUIDES 1982-2013 Vehicles
Courtesy of Operation CHARM
:
Car repair manuals for everyone.
Home
>>
Honda
>>
2005
>>
Civic L4-1.7L CNG
>>
Repair and Diagnosis
>>
Powertrain Management
>>
Diagrams
>>
Electrical Diagrams
>>
Control Module Circuit Diagrams
>>
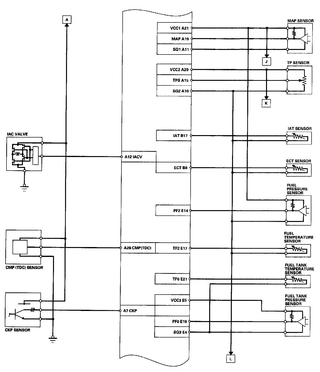
PCM Electrical Connections
PCM Electrical Connections
PCM Electrical Connections Part 1:
PCM Electrical Connections Part 2:
PCM Electrical Connections Part 3:
PCM Electrical Connections Part 4:
PCM Electrical Connections Part 5: