FREE REPAIR MANUALS & LABOR GUIDES 1982-2013 Vehicles
Courtesy of Operation CHARM: Car repair manuals for everyone.

Fuel Filter: Service and Repair

Fuel Filter Replacement

The fuel filter should be replaced whenever the fuel pressure drops below the specified value, after making sure that the fuel pump and the fuel pressure regulator are OK.

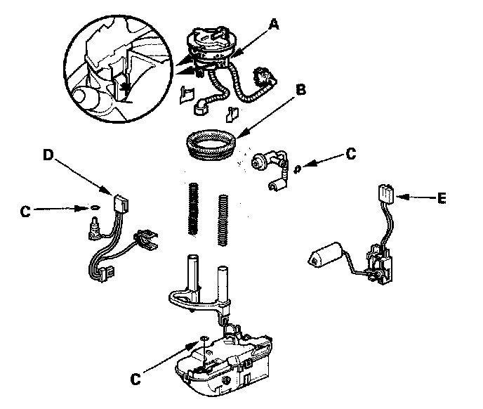
AT-PZEV (SULEV) model

1. Remove the fuel pump.




2. Remove the fuel filter set (A).
3. Check these items before installing the fuel tank unit:

- When connecting the wire harness, make sure the connection is secure and the connectors (B) is firmly locked into place.
- When installing the fuel gauge sending unit (C), make sure the connection is secure and the connector is firmly locked into place. Be careful not to bend or twist it excessively.

4. Install the parts in the reverse order of removal with a new base gasket (D) and new O-ring (E).

ULEV model

1. Remove the fuel pump.




2. Remove the fuel filter (A).
3. Install the part in the reverse order of removal with a new base gasket (B) and new O-rings (C), then check these items:

- When connecting the wire harness, make sure the connection is secure and the terminal (D) is firmly locked into place.
- When installing the fuel gauge sending unit (E), make sure the connection is secure and the connector is firmly locked into place. Be careful not to bend or twist it excessively.