FREE REPAIR MANUALS & LABOR GUIDES 1982-2013 Vehicles
Courtesy of Operation CHARM: Car repair manuals for everyone.

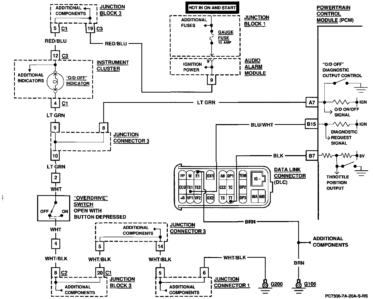
PCM Diagnostic System Check

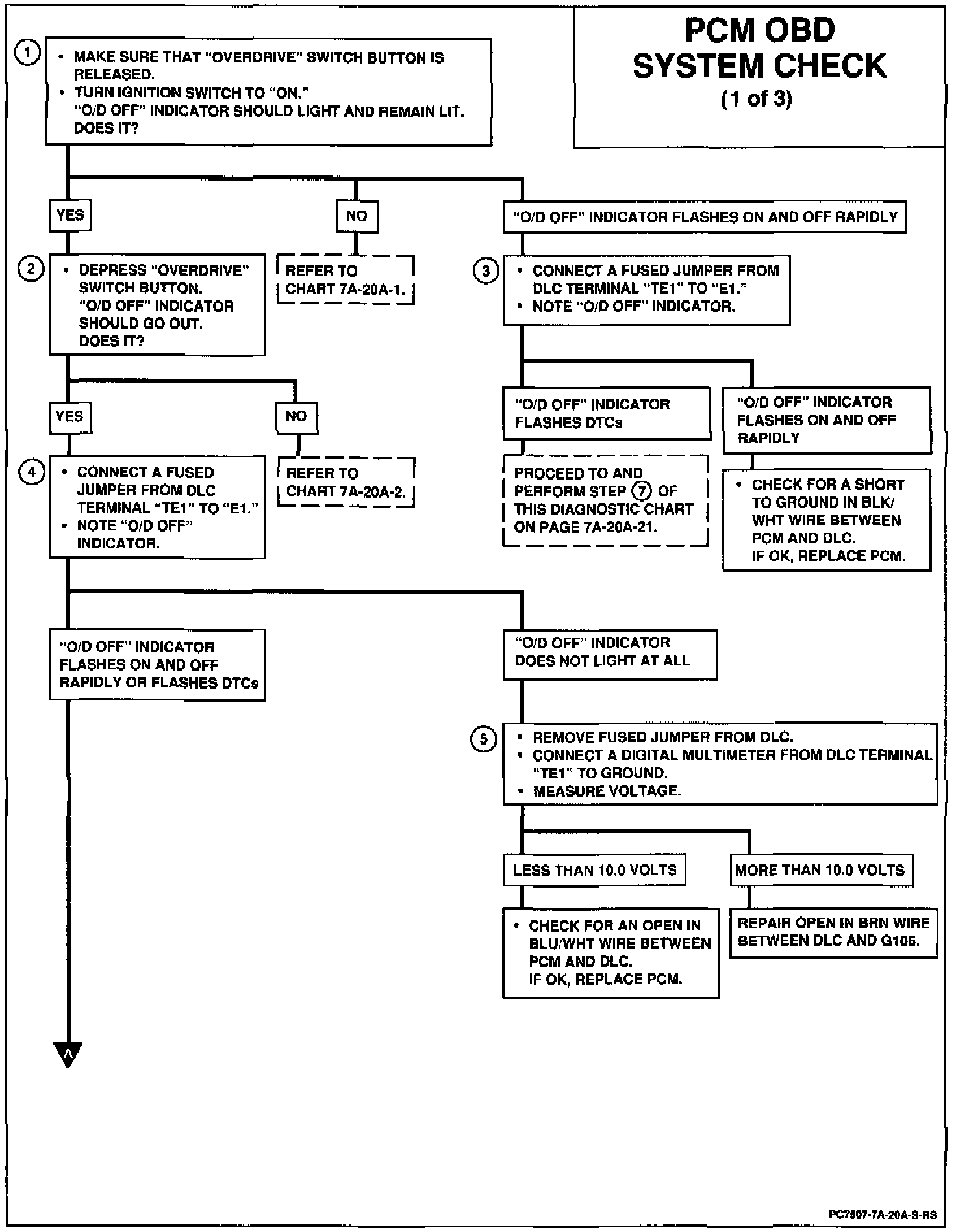
Diagnostic Chart - Part 1 Of 3:




Diagnostic Chart - Part 2 Of 3:




Diagnostic Chart - Part 3 Of 3:




PCM On-Board Diagnostic (OBD) System Check:






Circuit Description:
The "PCM OBD System Check" is an organized approach to identifying a problem created by an electronic control system malfunction. It must be the starting point for any automatic transaxle diagnosis because it directs the service technician to the next logical step in diagnosing the complaint. Understanding the chart and using it correctly will reduce diagnostic time and prevent the replacement of good components. Note that the PCM's self-diagnostic mode can only be initiated if the "OVERDRIVE" switch button is depressed.


Test Description: Numbers below refer to circled numbers on the diagnostic chart.
1. This checks to see if the "O/D OFF" Indicator will light.

2. This checks to see if the "O/D OFF" Indicator goes out.

3. This checks the PCM's self-diagnostic system for a possible failure.

4. This checks to see if there are any DTC's present.

5. This checks for faulty self-diagnostic system wiring and for a faulty PCM.

6. This checks the throttle position output circuit for the TP sensor.

7. This checks to see if the DTC's are intermittent or hard faults.

8. This checks the stoplamp switch circuit for TCC lockup interruption.

9. This checks the transaxle shift pattern and the PNP switch circuit.


Diagnostic Aids:
Check GAUGE Fuse for opens, and grounds for clean and tight connections.

Check for poor connections at component and inline harness connector terminal connections before replacing components. After repairs have been made, repeat the PCM OBD System Check to ensure system is functioning normally.