FREE REPAIR MANUALS & LABOR GUIDES 1982-2013 Vehicles
Courtesy of Operation CHARM: Car repair manuals for everyone.

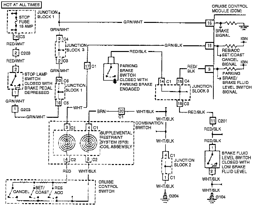
Code 9B-4B Cruise Indicator Does Not Light During Cancel Test

Code 9B-4B Cruise Indicator Does Not Light During Cancel Test part 1 thru 3

Fig. 10 Code 9B-4B: "Cruise" Indicator Does Not Light During Cancel Switch Test (Part 1 Of 3).:




Fig. 10 Code 9B-4B: "Cruise" Indicator Does Not Light During Cancel Switch Test (Part 2 Of 3).:




Fig. 10 Code 9B-4B: "Cruise" Indicator Does Not Light During Cancel Switch Test (Part 3 Of 3).: