FREE REPAIR MANUALS & LABOR GUIDES 1982-2013 Vehicles
Courtesy of Operation CHARM
:
Car repair manuals for everyone.
Home
>>
Ford
>>
2011
>>
Fusion FWD L4-2.5L Hybrid
>>
Repair and Diagnosis
>>
Diagrams
>>
Connector Views
>>
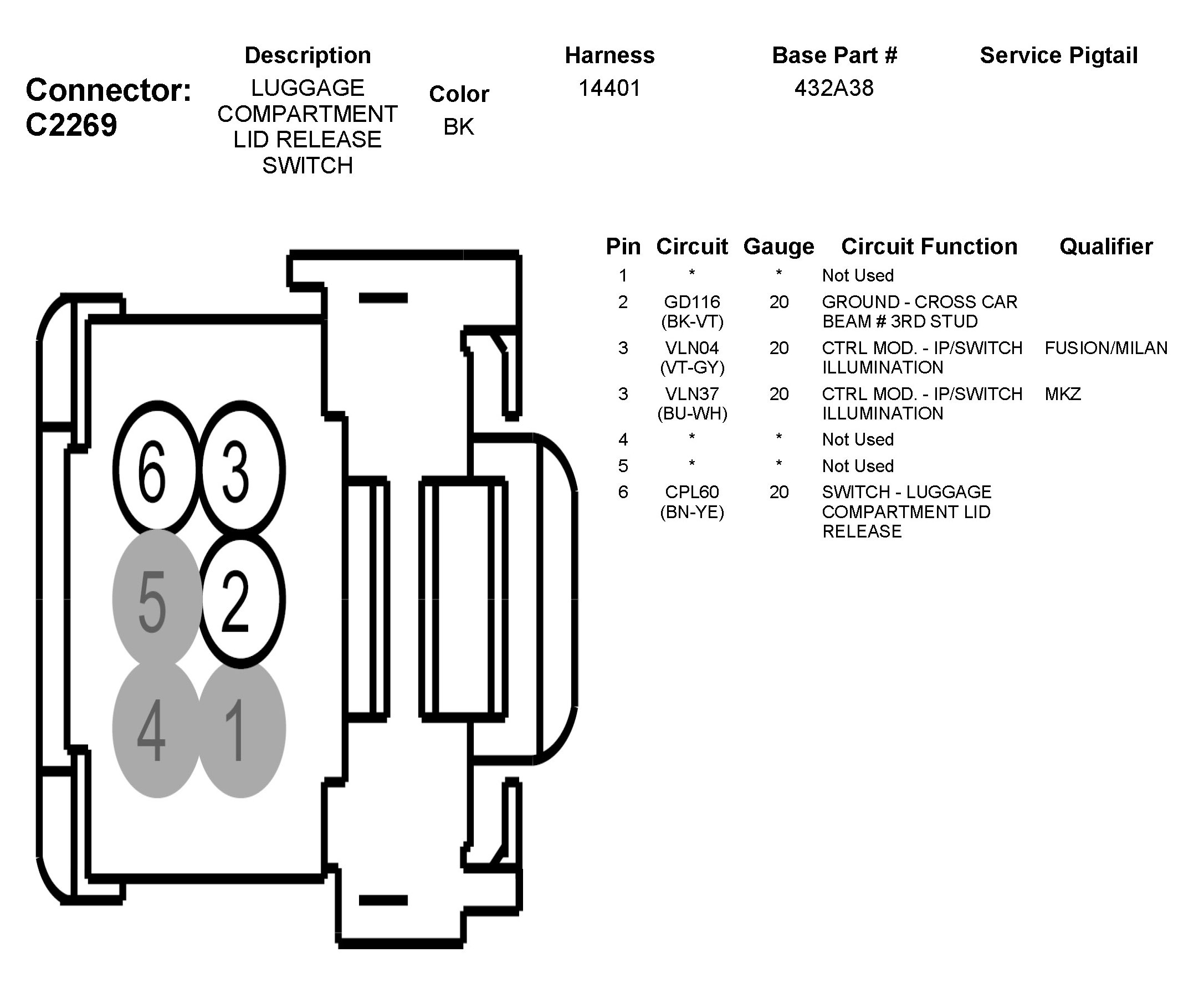
Trunk / Liftgate Switch
Trunk / Liftgate Switch