FREE REPAIR MANUALS & LABOR GUIDES 1982-2013 Vehicles
Courtesy of Operation CHARM
:
Car repair manuals for everyone.
Home
>>
Ford
>>
2004
>>
Focus L4-2.3L VIN Z
>>
Repair and Diagnosis
>>
Diagrams
>>
Harness
>>
Harness Overview
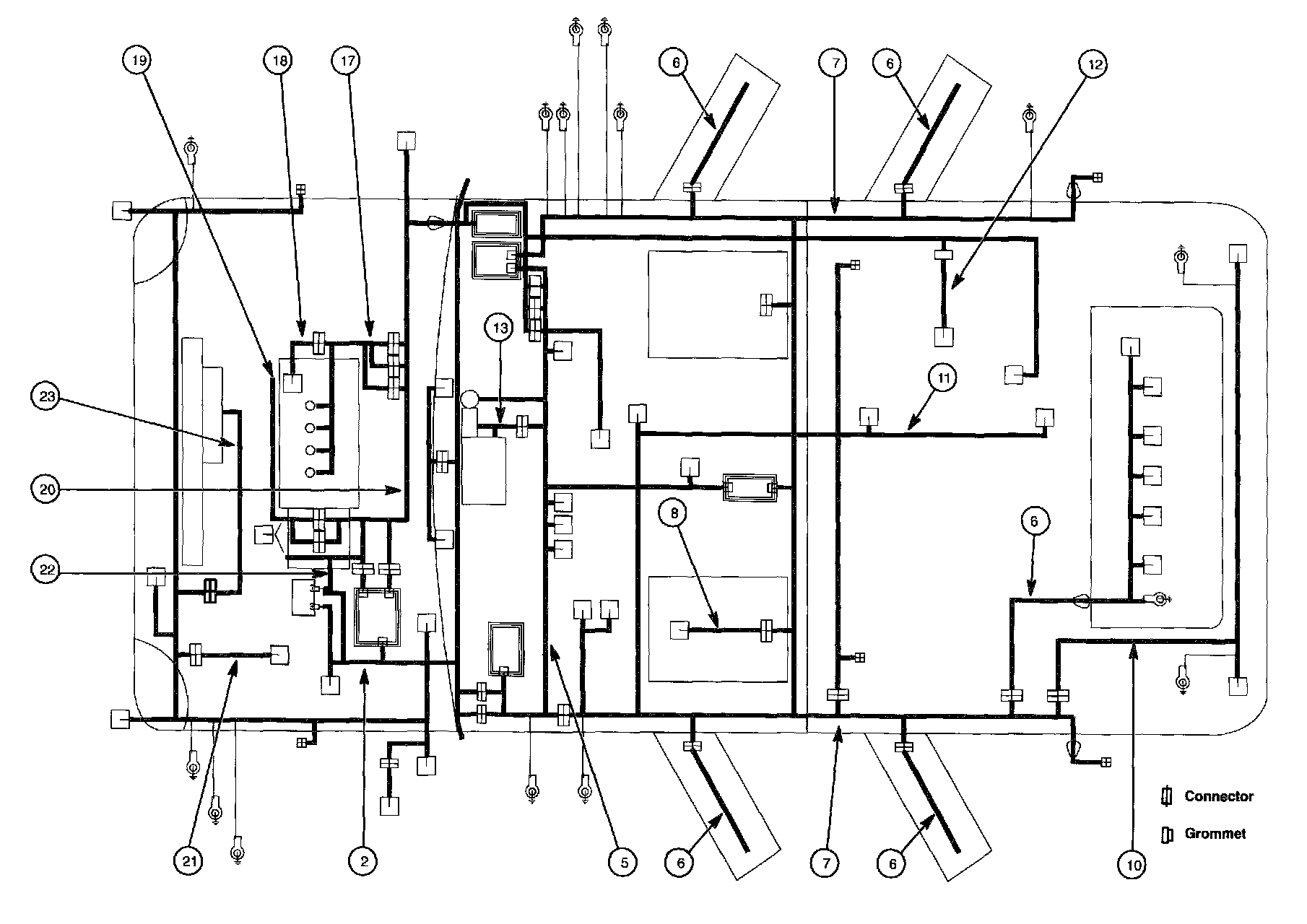
Harness Overview
Wiring Harness Overview, Part 1:
Wiring Harness Overview, Part 2: