FREE REPAIR MANUALS & LABOR GUIDES 1982-2013 Vehicles
Courtesy of Operation CHARM: Car repair manuals for everyone.

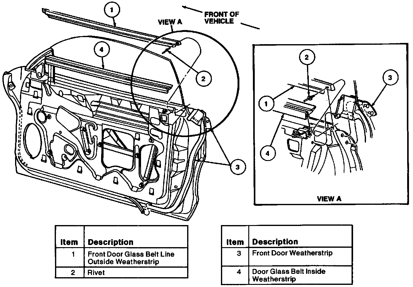
Window Glass: Service and Repair






REMOVAL AND INSTALLATION
1. Disengage top of front door belt line inside weatherstrip at rear of front door.
2. To remove front door belt line inside weatherstrip, carefully pry up on front door belt line inside weatherstrip and remove from flange on front door.
3. To remove front door belt line outside weatherstrip, first remove rivet at outer end of front door belt line outside weatherstrip. Remove rear view mirror mounting hole cover and loosen outside rearview mirror retaining bolts. Then carefully pry up on front door belt line outside weatherstrip and remove from flange on front door.

NOTE: Remove center pin from rivet with a drift punch. Then drill out remainder of rivet, using care not to enlarge sheet metal retaining hole.