FREE REPAIR MANUALS & LABOR GUIDES 1982-2013 Vehicles
Courtesy of Operation CHARM: Car repair manuals for everyone.

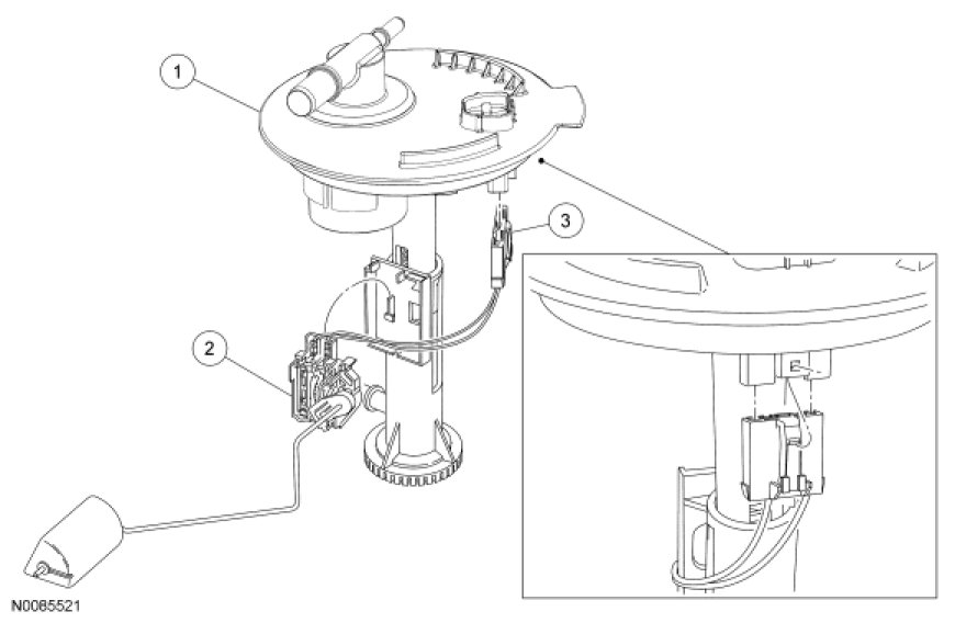
Fuel Level Sender




Fuel Level Sender



Fuel Pump (FP) Module Mounted Sender











Fuel Level Sensor Assembly Mounted Sender









Removal and Installation

WARNING: Do not smoke, carry lighted tobacco or have an open flame of any type when working on or near any fuel-related component. Highly flammable mixtures are always present and may be ignited. Failure to follow these instructions may result in serious personal injury.

WARNING: Do not carry personal electronic devices such as cell phones, pagers or audio equipment of any type when working on or near any fuel-related component. Highly flammable mixtures are always present and may be ignited. Failure to follow these instructions may result in serious personal injury.

WARNING: When handling fuel, always observe fuel handling precautions and be prepared in the event of fuel spillage. Spilled fuel may be ignited by hot vehicle components or other ignition sources. Failure to follow these instructions may result in serious personal injury.

WARNING: Always disconnect the battery ground cable at the battery when working on an evaporative emission (EVAP) system or fuel-related component. Highly flammable mixtures are always present and may be ignited. Failure to follow these instructions may result in serious personal injury.

1. Remove either the Fuel Pump (FP) module or fuel level sensor assembly. For additional information, refer to Fuel Pump Module Fuel Pump Module or Fuel Level Sensor Fuel Level Sensor.

2. Disconnect the fuel level sender electrical connector.

3. Depress the lock tab and slide the fuel level sender upwards and remove.





4. To install, reverse the removal procedure.