FREE REPAIR MANUALS & LABOR GUIDES 1982-2013 Vehicles
Courtesy of Operation CHARM: Car repair manuals for everyone.

Utility Storage Compartment




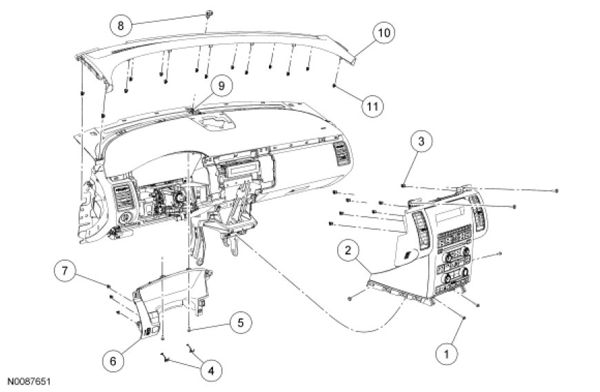
Instrument Panel - Exploded View

Instrument Panel Finish Panels and Fasteners









Instrument Panel Trim Panels, Finish Panels and Electrical Connectors









Instrument Panel and Instrument Cluster Finish Panels









Instrument Panel Upper Section