FREE REPAIR MANUALS & LABOR GUIDES 1982-2013 Vehicles
Courtesy of Operation CHARM
:
Car repair manuals for everyone.
Home
>>
Ford Truck
>>
2003
>>
Excursion 2WD V8-7.3L DSL Turbo VIN F
>>
Repair and Diagnosis
>>
Powertrain Management
>>
Computers and Control Systems
>>
Description and Operation
>>
Diesel Models
>>
Diesel Intake Air Systems
Diesel Intake Air Systems
Intake Air System - E-Series:
Air Intake System - F-250/550, Excursion:
Charge Air Cooler System - F250-F550, Excursion:
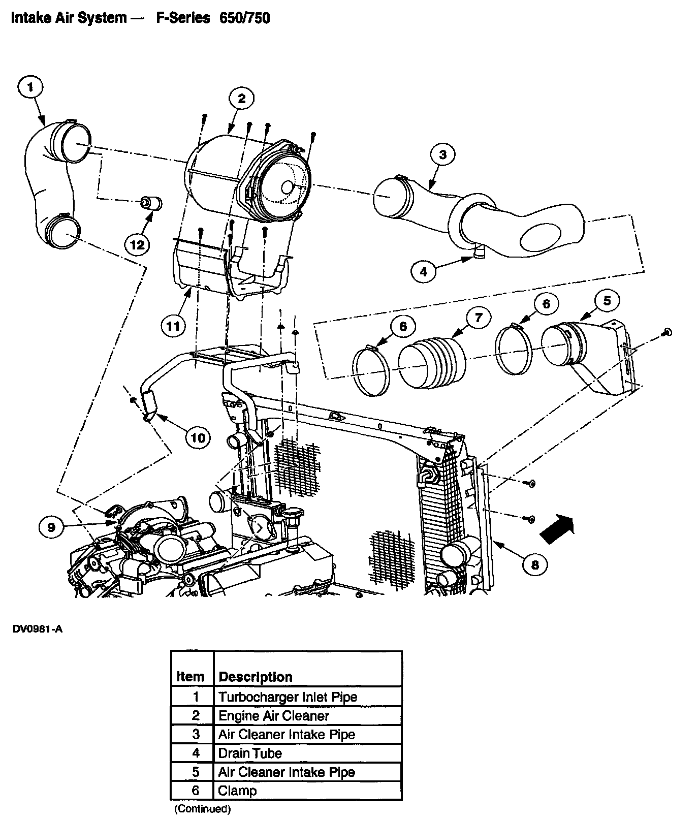
Intake Air System - F-Series 650/750, Part 1:
Intake Air System - F-Series 650/750, Part 2: