FREE REPAIR MANUALS & LABOR GUIDES 1982-2013 Vehicles
Courtesy of Operation CHARM: Car repair manuals for everyone.

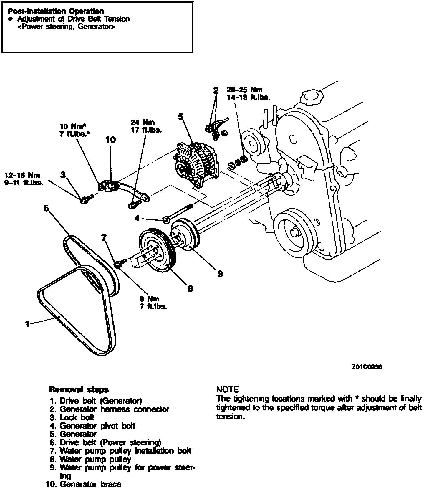
Generator Replacement

Generator - Removal And Installation:






NOTE: The tightening locations marked with * should be finally tightened to the specified torque after adjustment of belt tension.


REMOVE
1. Drive belt (Generator)
2. Generator harness connector
3. Lock bolt
4. Generator pivot bolt
5. Generator
6. Drive bell (Power steering)
7. Water pump pulley installation bolt
8. Water pump pulley
9. Water pump pulley for power steering
10. Generator brace

INSTALL
1. Generator brace
2. Water pump pulley for power steering
3. Water pump pulley
4. Water pump pulley installation bolt
5. Drive bell (Power steering)
6. Generator
7. Generator pivot bolt
8. Lock bolt
9. Generator harness connector
10. Drive belt (Generator)

Post-Installtion
- Adjustment of Drive Belt Tension