FREE REPAIR MANUALS & LABOR GUIDES 1982-2013 Vehicles
Courtesy of Operation CHARM
:
Car repair manuals for everyone.
Home
>>
Eagle
>>
1993
>>
Talon FWD L4-1753cc 1.8L SOHC
>>
Repair and Diagnosis
>>
Powertrain Management
>>
Computers and Control Systems
>>
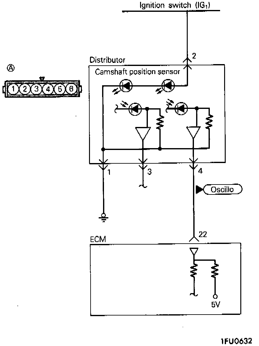
Camshaft Position Sensor
>>
Diagrams
>>
Connector Views
Connector Views