FREE REPAIR MANUALS & LABOR GUIDES 1982-2013 Vehicles
Courtesy of Operation CHARM: Car repair manuals for everyone.

Service Manual - Corrections

NO.: 26-03-93

GROUP: Miscellaneous

DATE: Dec. 31, 1993

SUBJECT:
Service Manual Correction

MODELS:

1993 - 1994 (B9) Colt/Summit

DISCUSSION:





This Technical Service Bulletin contains new and revised Service Manual information for the 1993 and 1994 Colt/Summit Service Manuals.





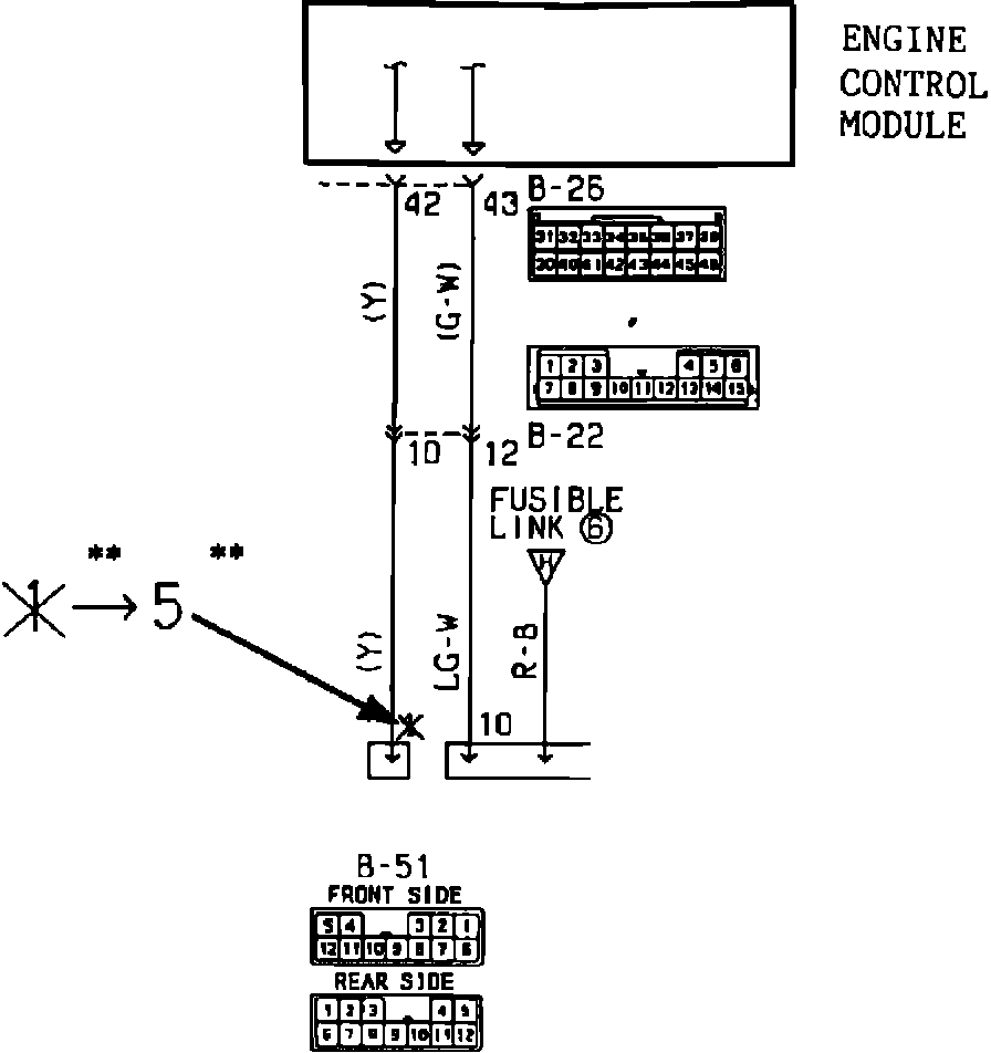
On 1994 Colt/Summit models, the data link connector terminal (MPI System Diagnostics Output Terminal) has been moved from pin number (1) to pin number (5).





The theft protection label position used on body panels is incorrect in the 1994 Colt/Summit Service Manual, # 81-270-4111. The figure shows the correct location of the labels.





The charcoal canister check valve inspection procedure was omitted from the 1993 and 1994 Colt/Summit Service Manuals. The inspection procedure is as follows:

1. Connect one end of a clean rubber hose to the nipple on the inlet side of the canister. Connect another hose to the nipple on the outlet side of the canister.

2. Block the two remaining top nipples with fingers and inspect the valve for proper operation using the following steps:

Errors in the automatic transmission troubleshooting table of the 1993 and 1994 Colt/Summit Service Manual have been corrected. This Technical Service Bulletin includes the revised pages for the 1994 Colt/Summit Service Manual (Publication No. 81-270-4111).

POLICY: Information Only