FREE REPAIR MANUALS & LABOR GUIDES 1982-2013 Vehicles
Courtesy of Operation CHARM
:
Car repair manuals for everyone.
Home
>>
Dodge
>>
1994
>>
Colt L4-1468cc 1.5L SOHC
>>
Repair and Diagnosis
>>
Diagrams
>>
Electrical Diagrams
>>
Antilock Brakes / Traction Control Systems
>>
Electronic Brake Control Module
Electronic Brake Control Module
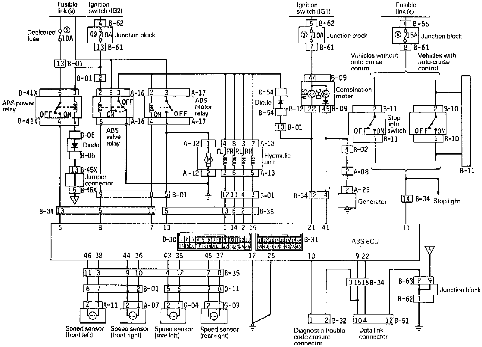
Fig 30 ABS Wiring Diagram: