FREE REPAIR MANUALS & LABOR GUIDES 1982-2013 Vehicles
Courtesy of Operation CHARM
:
Car repair manuals for everyone.
Home
>>
Dodge
>>
1990
>>
Monaco V6-182 3.0L SOHC
>>
Repair and Diagnosis
>>
Powertrain Management
>>
Ignition System
>>
Ignition Relay
>>
Locations
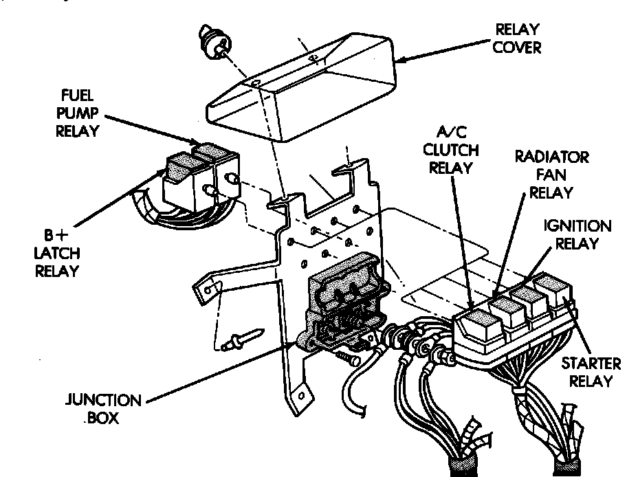
Ignition Relay: Locations
Ignition Relay:
The ignition relay is in the relay assembly on the left front inner fender.