FREE REPAIR MANUALS & LABOR GUIDES 1982-2013 Vehicles
Courtesy of Operation CHARM
:
Car repair manuals for everyone.
Home
>>
Dodge
>>
1990
>>
Daytona L4-153 2.5L SOHC
>>
Repair and Diagnosis
>>
Wiper and Washer Systems
>>
Wiper Control Module
>>
Locations
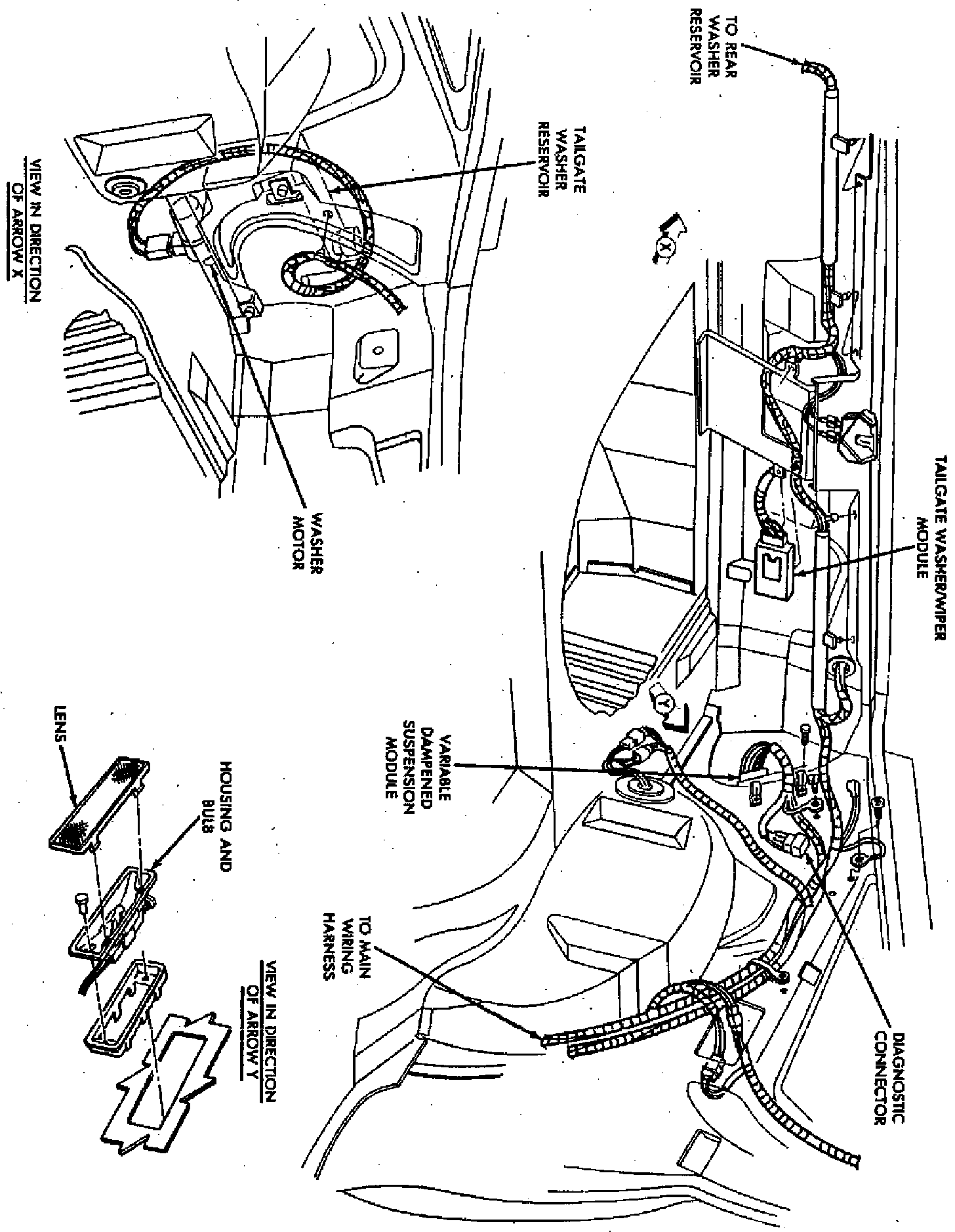
Wiper Control Module: Locations
Luggage Compartment Components.:
Center Rear Of Body
Applicable to: 1990