FREE REPAIR MANUALS & LABOR GUIDES 1982-2013 Vehicles
Courtesy of Operation CHARM
:
Car repair manuals for everyone.
Home
>>
Chevy Truck
>>
2001
>>
Tracker 2WD L4-2.0L VIN C
>>
Repair and Diagnosis
>>
Powertrain Management
>>
Diagrams
>>
Electrical Diagrams
>>
Engine Controls
>>
Ignition Controls
Ignition Controls
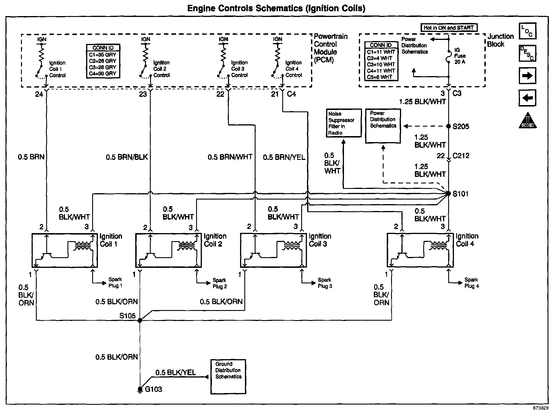
Engine Controls Schematics: Ignition Coils: