FREE REPAIR MANUALS & LABOR GUIDES 1982-2013 Vehicles
Courtesy of Operation CHARM: Car repair manuals for everyone.

Engine





Camshaft Timing Chain and Chain Tensioner





Crankshaft Timing Chain and Chain Tensioner





Camshafts and Valve Lash Adjusters





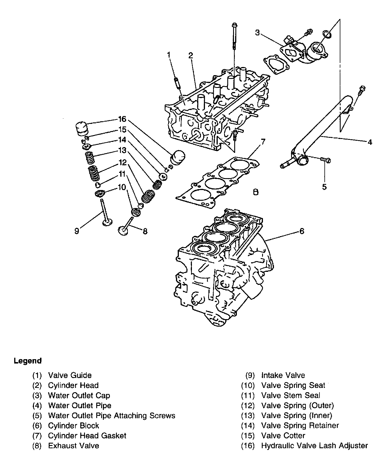
Valves and Cylinder Head





Pistons, Piston Rings, Connecting Rods, and Cylinders





Main Bearings, Crankshaft, and Cylinder Block





Timing Chain Cover