FREE REPAIR MANUALS & LABOR GUIDES 1982-2013 Vehicles
Courtesy of Operation CHARM
:
Car repair manuals for everyone.
Home
>>
Chevy Truck
>>
1998
>>
Venture V6-3.4L VIN E
>>
Repair and Diagnosis
>>
Powertrain Management
>>
Computers and Control Systems
>>
Testing and Inspection
>>
Component Tests and General Diagnostics
>>
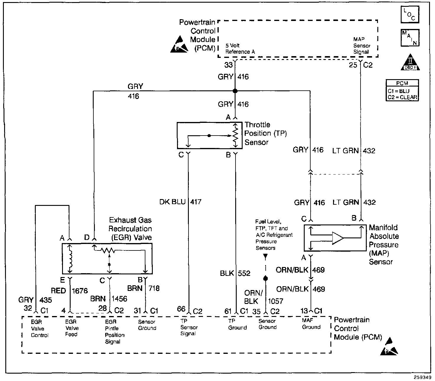
System Check - MAP Sensor
System Check - MAP Sensor