FREE REPAIR MANUALS & LABOR GUIDES 1982-2013 Vehicles
Courtesy of Operation CHARM: Car repair manuals for everyone.

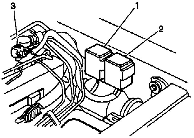
Relay Replacement

REMOVAL PROCEDURE
The electronic brake control relay is located on the left hand side of the engine compartment, on the inner fender next to the hydraulic modulator.
1. Disconnect the Negative (-) battery cable.

CAUTION: Before removing or installing any electrical unit or when a tool or equipment could easily come in contact with "live" exposed electrical terminals, disconnect the negative battery cable to help prevent personal injury and/or damage to the vehicle or components. Unless instructed otherwise, the ignition switch must be in the "OFF" or "LOCK" position.





2. Pull the relay (2) from the mounting bracket.
3. Disconnect the relay (2) from the relay harness connector.

INSTALLATION PROCEDURE





1. Connect the Relay (2) to the relay harness connector.
2. Install the Relay (2) to the mounting bracket.
3. Connect the Negative (-) battery cable.

CAUTION: Before removing or installing any electrical unit or when a tool or equipment could easily come in contact with "live" exposed electrical terminals, disconnect the negative battery cable to help prevent personal injury and/or damage to the vehicle or components. Unless instructed otherwise, the ignition switch must be in the "OFF" or "LOCK" position.

4. Perform the Diagnostic System Check