FREE REPAIR MANUALS & LABOR GUIDES 1982-2013 Vehicles
Courtesy of Operation CHARM
:
Car repair manuals for everyone.
Home
>>
Chevy Truck
>>
1993
>>
G 20 Van V8-379 6.2L DSL
>>
Repair and Diagnosis
>>
Powertrain Management
>>
Diagrams
>>
Electrical Diagrams
>>
Transmission Control Module (TCM)
>>
Inputs
Inputs
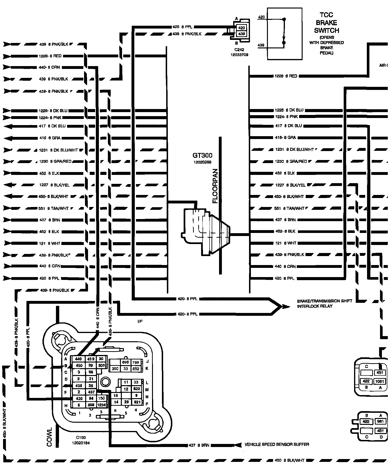
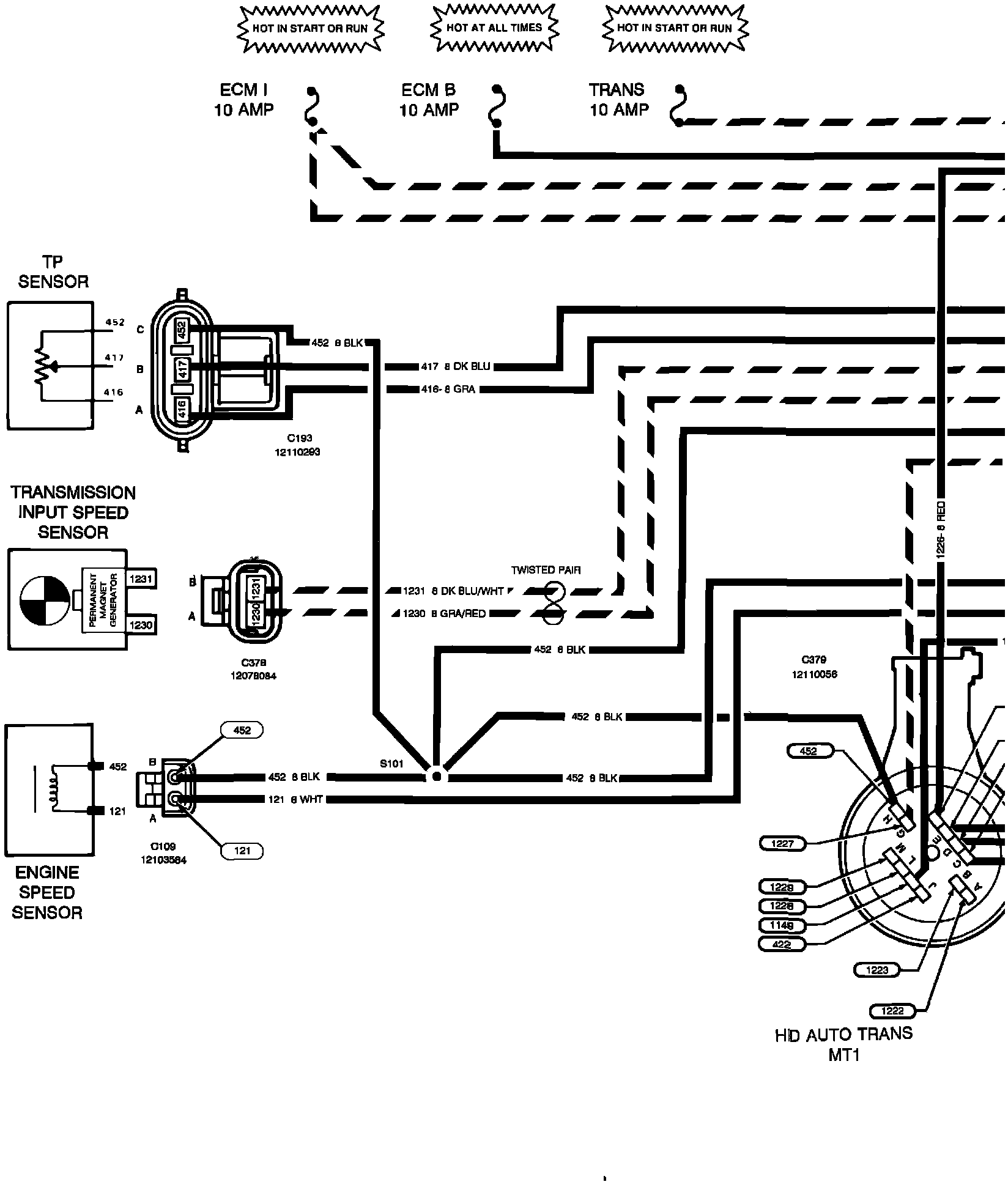
4D�%Transmission Control Module Inputs - W/HD 4 Speed Automatic Overdrive Transmission And HD Diesel Engines:
��%Transmission Control Module Inputs - W/HD 4 Speed Automatic Overdrive Transmission And HD Diesel Engines: