FREE REPAIR MANUALS & LABOR GUIDES 1982-2013 Vehicles
Courtesy of Operation CHARM: Car repair manuals for everyone.

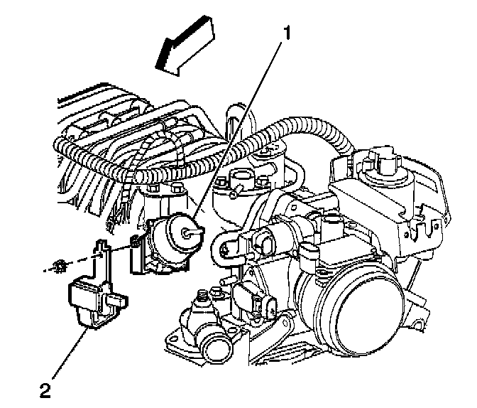
EGR Boost Control Solenoid: Service and Repair

BOOST CONTROL SOLENOID REPLACEMENT

REMOVAL PROCEDURE




1. Remove the fuel injector sight shield.
2. Disconnect the boost source and signal hoses from the boost control solenoid (2).
3. Disconnect the boost control solenoid electrical connector.
4. Remove the boost control solenoid nut.
5. Remove the boost control solenoid (2).

INSTALLATION PROCEDURE




1. Install the boost control solenoid (2).

NOTE: Refer to Fastener Notice in Service Precautions.

2. Install the boost control solenoid nut.

Tighten
Tighten the nut to 8 N.m (71 lb in).

3. Connect the boost control solenoid electrical connector.
4. Connect the boost source and signal hoses to the boost control solenoid (2).
5. Install the fuel injector sight shield.