FREE REPAIR MANUALS & LABOR GUIDES 1982-2013 Vehicles
Courtesy of Operation CHARM: Car repair manuals for everyone.

Timing Chain: Service and Repair

Timing Chain and Sprockets Replacement

Removal Procedure





1. Remove the engine front cover.
2. Rotate the crankshaft until the timing marks in the following locations are aligned:
- The camshaft alignment pin (4).
- The timing chain dampener (1) to the crankshaft sprocket (2).





3. Remove the camshaft sprocket bolt.





4. Remove the camshaft sprocket with the timing chain.





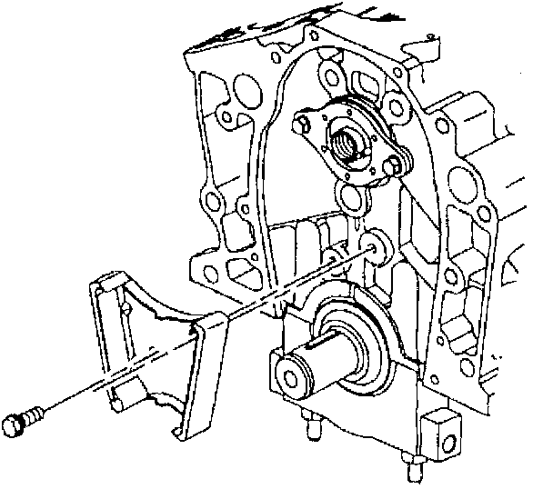
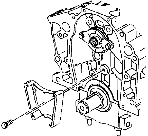
5. Remove the crankshaft sprocket.





6. Remove the timing chain dampener bolts.
7. Remove the timing chain dampener.





8. If necessary remove the camshaft thrust plate bolts.
9. Remove the camshaft thrust plate.
10. Clean and inspect the timing chain and the gears.

Installation Procedure





1. If removed install the camshaft thrust plate.

Notice: Refer to Fastener Notice in Service Precautions.

2. Install the camshaft thrust plate bolts.
- Tighten the bolts to 10 Nm (89 inch lbs.).





3. Install the crankshaft sprocket.
4. Apply Engine Oil Supplement (EOS) GM P/N 1052367 (Canadian P/N 992869) or equivalent to the sprocket thrust surface.





5. Install the timing chain dampener.
6. Install the timing chain dampener bolts.
- Tighten the bolts to 21 Nm (15 ft. lbs.).





7. Install the timing chain onto the camshaft gear.





8. Hold the camshaft sprocket with the chain hanging down, and install the chain to the crankshaft gear.





9. Align the crankshaft timing mark (2) to the timing mark on the bottom of the timing chain dampener (1).
10. Align the timing mark on the camshaft gear, center line of the locator hole (4), with the timing mark on the top of the chain dampener (3).
11. Align the dowel in the camshaft with the dowel hole in the camshaft sprocket (1).





Important: Draw the camshaft sprocket onto the camshaft using the mounting bolt.

12. Install the camshaft sprocket bolt.
- Tighten the bolt to 140 Nm (103 ft. lbs.).
13. Coat the crankshaft and camshaft sprocket with engine oil.
14. Install the engine front cover.