FREE REPAIR MANUALS & LABOR GUIDES 1982-2013 Vehicles
Courtesy of Operation CHARM: Car repair manuals for everyone.

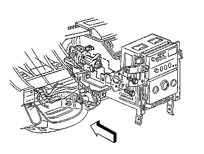
Ignition Switch - Dash Mounted

IGNITION SWITCH REPLACEMENT

REMOVAL PROCEDURE




1. Disconnect the negative battery cable.

CAUTION: Refer to Battery Disconnect Caution in Service Precautions.

2. Apply the parking brake.




3. Remove the console.
4. Remove the IP accessory trim plate.
5. Remove the driver knee bolster trim panel.
6. Remove the ignition switch lock cylinder electrical connector from the retaining tab on the side of the ignition switch.
7. Disconnect the lock cylinder electrical connector.
8. Remove the ignition switch bezel.
Carefully pull to unsnap.

IMPORTANT: Take note of the way in which the ignition switch lock cylinder wire is wrapped around the base of the ignition switch bezel.




9. Remove the hazard warning switch wiring harness from the ignition switch retainer.




10. Disconnect the ignition switch electrical connectors.




11. Disconnect the park/lock cable (A/T) from the ignition switch.
11.1. Insert the key into the ignition switch, then turn the ignition to ON.
11.2. Using a flat bladed screwdriver or other suitable tool, depress the park/lock cable retaining tab (located on the underside of the switch near the base of the cable).
11.3. Pull to remove the cable.




12. Remove the ignition switch retaining bolts.
13. Remove the ignition switch.

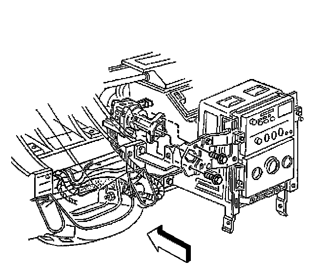
INSTALLATION PROCEDURE




1. Install the ignition switch into position on the ignition switch housing bracket.
2. Install the ignition switch retaining bolts.

NOTE: Refer to Fastener Notice in Service Precautions.

Tighten
Tighten the ignition switch retaining bolts to 5.5 Nm (49 lb in).




3. Install the park/lock cable (A/T) to the ignition switch (still in the ON position).
Push to secure the cable retaining tab.




4. Connect the ignition switch electrical connections.




5. Install the hazard warning switch wiring harness to the ignition switch retainer.




6. Install the ignition switch bezel to the switch.
6.1. Wrap the ignition switch lock cylinder wire around the base of the ignition switch bezel, as noted during removal.
6.2. Align the bezel slots to the lock cylinder pins, then push to secure.
7. Connect the lock cylinder electrical connector.




8. Install the lock cylinder electrical connector to the retaining tab on the side of the ignition switch.
9. Install the driver knee bolster trim panel.
10. Install the IP accessory trim plate.
11. Install the console.
12. Connect the negative battery cable.

Tighten
Tighten the negative battery cable bolt to 15 Nm (11 lb ft).

13. Program the transmitters. Transmitter Programming
14. Release the parking brake.