FREE REPAIR MANUALS & LABOR GUIDES 1982-2013 Vehicles
Courtesy of Operation CHARM: Car repair manuals for everyone.

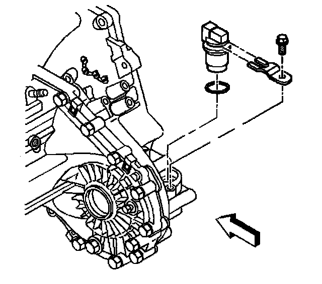
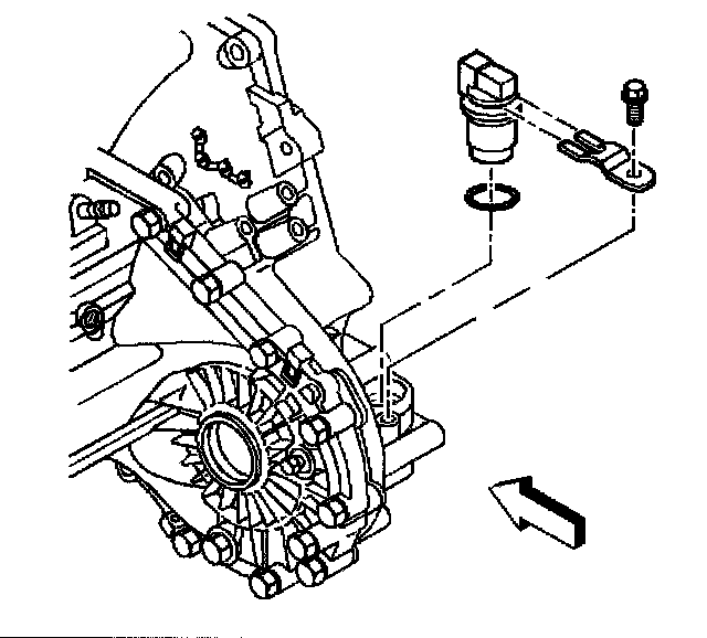
Transmission Speed Sensor: Service and Repair

Vehicle Speed Sensor (VSS) Replacement

Removal Procedure





1. Disconnect the Vehicle Speed Sensor (VSS) electrical connector.





2. Remove the retainer bolt.
3. Remove the retainer.
4. Remove the VSS.
5. Remove the O-ring.

Installation Procedure
1. Lubricate a new O-ring with DEXRON III transmission fluid.





2. Install the new O-ring.
3. Install the VSS retainer. Install the Vehicle Speed Sensor (VSS) assembly.

Notice: Refer to Fastener Notice in Service Precautions.

4. Install the VSS retainer bolt.
Tighten the bolt to 9 Nm (80 inch lbs.).





5. Connect the VSS connector to the VSS.
6. Lower the vehicle.