FREE REPAIR MANUALS & LABOR GUIDES 1982-2013 Vehicles
Courtesy of Operation CHARM: Car repair manuals for everyone.

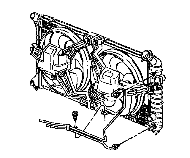
Fluid Line/Hose: Service and Repair

Automatic Transmission Oil Cooler Pipes Replacement
Use only double-wrapped and use only brazed steel pipe meeting the GM specification 123M or equivalent if replacement of the transaxle oil cooler pipes are required. Ensure the pipe is double-flared.

Removal Procedure

Notice: Allow sufficient clearance around the transaxle oil cooler pipes and around the hoses to prevent damage or wear which may cause fluid loss.

1. Raise and support the vehicle.
2. Position the drain pan.





3. Remove the transaxle oil cooler pipe at the transaxle.





4. Remove the transaxle oil cooler pipe fittings at the radiator.
5. Remove the transaxle oil cooler pipe clip bolt.
6. Remove the transaxle oil cooler pipes.

Installation Procedure

Important: The correct thread engagement is critical. Crossthreaded fittings can achieve proper tightness value and still leak.





1. Install the transaxle oil cooler pipes.

Notice: Refer to Fastener Notice in Service Precautions

2. Install the transaxle oil cooler pipe clip bolt.
Tighten the transaxle oil cooler pipe clip bolt to 4 Nm (27 inch lbs.).
3. Install the transaxle oil cooler pipe fittings at the radiator.
Tighten the transaxle oil cooler pipe fittings to 45 Nm (33 ft. lbs.).
4. Install the transaxle oil cooler hoses to the pipes.
5. Lower the vehicle.

Notice: Do NOT overfill the transaxle. The overfilling of the transaxle causes foaming, loss of fluid, shift complaints, and possible damage to the transaxle.

6. Adjust the transmission fluid level.
7. Inspect for proper completion of the repairs.
8. Inspect for fluid leaks.