FREE REPAIR MANUALS & LABOR GUIDES 1982-2013 Vehicles
Courtesy of Operation CHARM: Car repair manuals for everyone.

Barometric Pressure Sensor: Testing and Inspection

- Chart C-1D Map or Baro Output Check.:




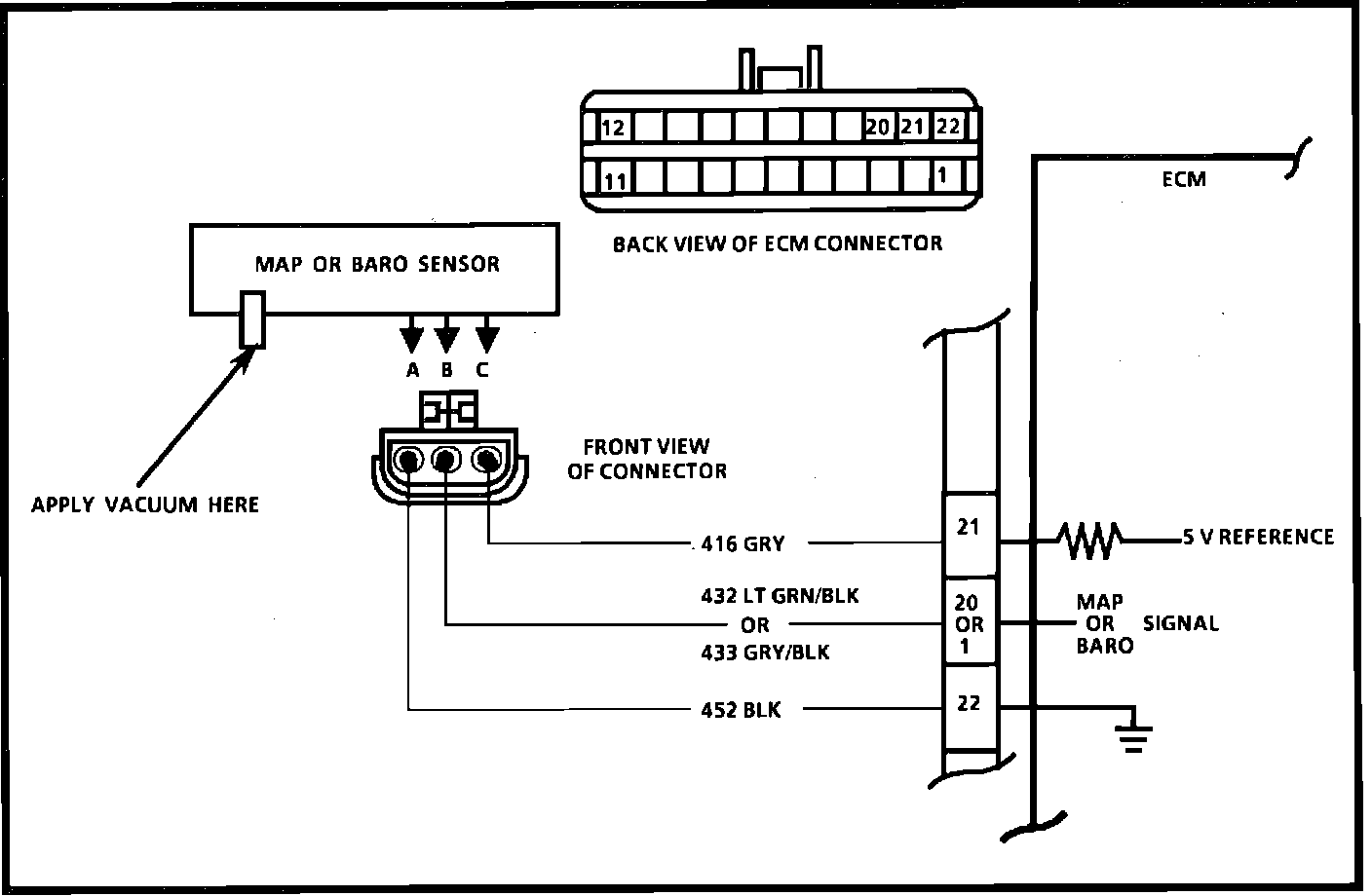
- Wiring Diagram for Chart C-1D Map Output Check.:






CHART C-1D, MAP AND BARO CHECK

CHART DESCRIPTION
1. This checks the sensor voltage, which is highest when manifold pressure is highest. Output normally is in the middle range for specific altitudes.
Low voltage increases spark advance. High voltage decreases spark advance.
MAP and BARO sensors are essentially the same device. One measures pressure in the manifold and the other the pressure of the atmosphere.
2. This checks to see if the rate of change of the output vs. change in pressure is correct. Again,the normal change would be about the middle of the range listed. The voltage should change as soon as the vacuum is changed. If it doesn't, it could result in detonation or a sag on acceleration. It could also be caused by fuel or a restriction in the hose to the sensor.