FREE REPAIR MANUALS & LABOR GUIDES 1982-2013 Vehicles
Courtesy of Operation CHARM: Car repair manuals for everyone.

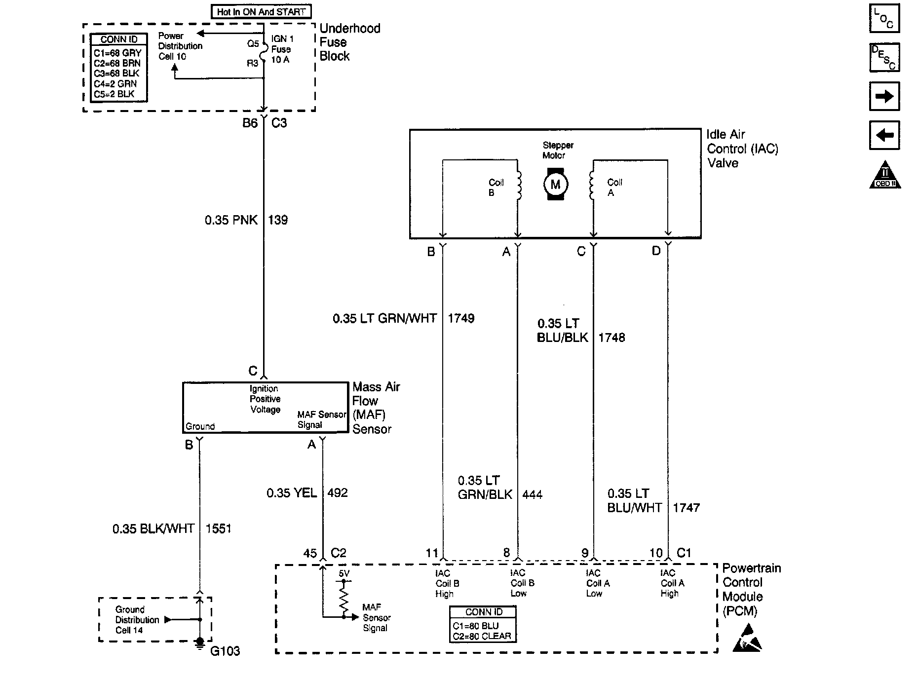
Idle Speed Control Check









Circuit Description

The Idle Speed Control Check verifies proper IAC valve operation.

Diagnostic Aids

Reviewing the Failure Rec. may help diagnose an intermittent failure by showing how long ago and under what conditions a DTC has set.

Test Description

Number(s) below refer to the step number(s) on the Diagnostic Table

3. This check test the IAC valve to make sure that it is moving in and out without binding. When the IAC valve is commanded the PCM adjusts the IAC position and spark advance for a desired RPM.