FREE REPAIR MANUALS & LABOR GUIDES 1982-2013 Vehicles
Courtesy of Operation CHARM
:
Car repair manuals for everyone.
Home
>>
Cadillac
>>
1999
>>
Seville STS V8-4.6L VIN 9
>>
Repair and Diagnosis
>>
Locations
>>
Component Locations
>>
Modules
>>
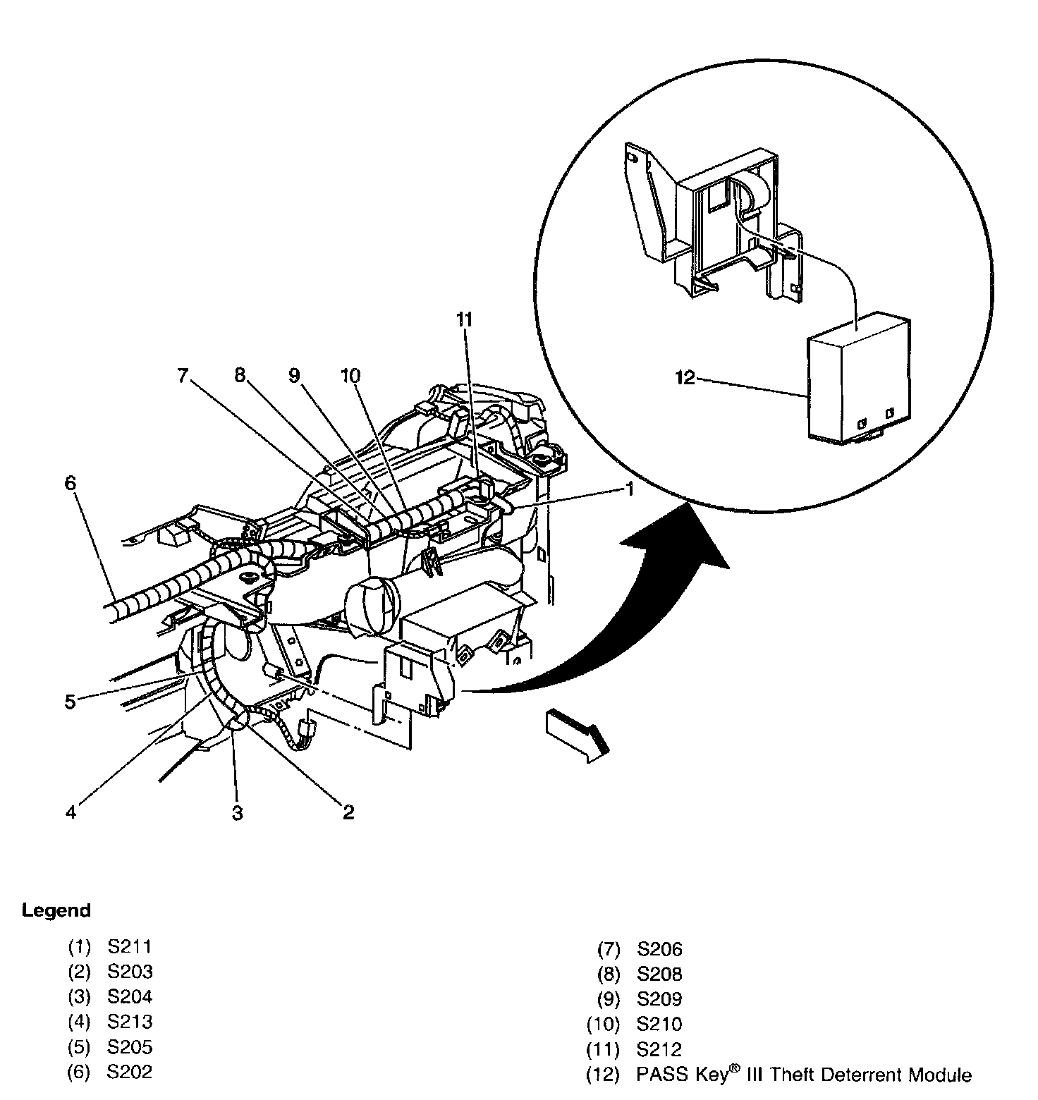
Pass-Key(R) III Theft Deterrent Module
Pass-Key(R) III Theft Deterrent Module
Passenger Compartment, Left Side Under The IP:
Left side of the instrument panel, right side of the steering column