FREE REPAIR MANUALS & LABOR GUIDES 1982-2013 Vehicles
Courtesy of Operation CHARM
:
Car repair manuals for everyone.
Home
>>
Cadillac
>>
1999
>>
Seville STS V8-4.6L VIN 9
>>
Repair and Diagnosis
>>
Diagrams
>>
Electrical Diagrams
>>
Door Module
>>
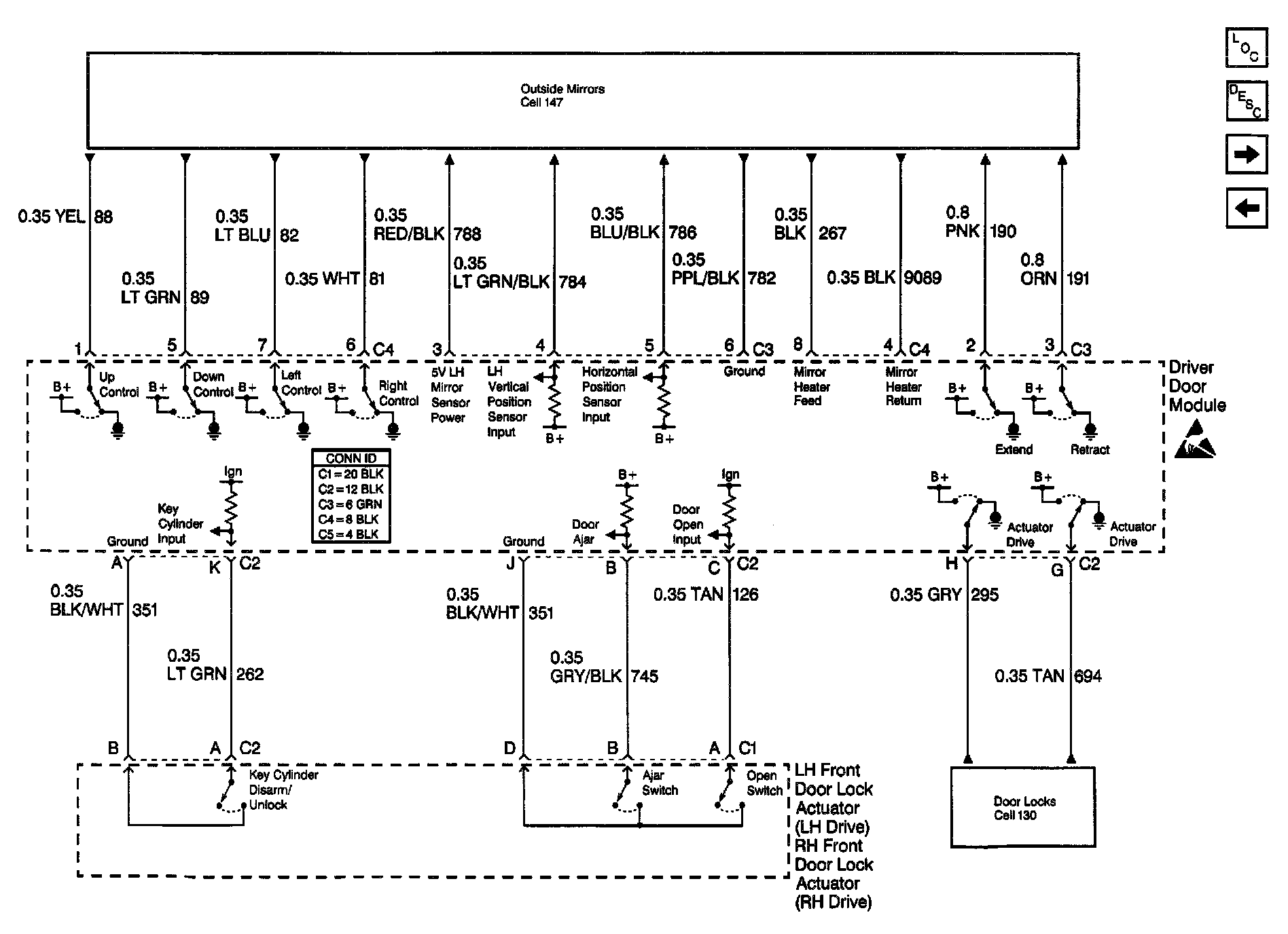
Driver Door Module Power, Ground, Inputs and Outputs
Driver Door Module Power, Ground, Inputs and Outputs
Door Control Module Schematics: Driver Door Module Power, Ground, Inputs And Outputs: